NYISO Agreements --> Service Agreements --> SGIA among NYISO NMPC and ELP Ticonderoga Solar

SERVICE AGREEMENT NO. 2666

SERVICE AGREEMENT NO. 2666

AMENDED AND RESTATED

STANDARD SMALL GENERATOR

INTERCONNECTION AGREEMENT

AMONG THE

NEW YORK INDEPENDENT SYSTEM OPERATOR, INC.,

NIAGARA MOHAWK POWER CORPORATION

D/B/A NATIONAL GRID,

AND

ELP TICONDEROGA SOLAR LLC

Dated as of April 2, 2026

(Ticonderoga Solar Project)

 



Effective Date: 4/2/2026 - Docket #: ER26-2229-000 - Page 1


NYISO Agreements --> Service Agreements --> SGIA among NYISO NMPC and ELP Ticonderoga Solar

 

SERVICE AGREEMENT NO. 2666

TABLE OF CONTENTS

Article 1 Scope and Limitations of Agreement ...................................................................2
 1.1 Applicability ........................................................................................................... 2
 1.2 Purpose.................................................................................................................... 2
 1.3 Scope of Interconnection Service ........................................................................... 2
 1.4 Limitations.............................................................................................................. 2
 1.5 Responsibilities of the Parties................................................................................. 2
 1.6 Parallel Operation Obligations................................................................................ 4
 1.7 Metering.................................................................................................................. 4
 1.8 Reactive Power and Primary Frequency Response ................................................ 5
 1.9 Capitalized Terms ................................................................................................... 8

Article 2 Inspection, Testing, Authorization, and Right of Access ...................................9
 2.1 Equipment Testing and Inspection.......................................................................... 9
 2.2 Authorization Required Prior to Parallel Operation ............................................... 9
 2.3 Right of Access..................................................................................................... 10

Article 3 Effective Date, Term, Termination, and Disconnection...................................11
 3.1 Effective Date ....................................................................................................... 11
 3.2 Term of Agreement............................................................................................... 11
 3.3 Termination........................................................................................................... 11
 3.4 Temporary Disconnection..................................................................................... 12

Article 4 Cost Responsibility for Interconnection Facilities and Distribution
 Upgrades...............................................................................................................14
 4.1 Interconnection Facilities...................................................................................... 14
 4.2 Distribution Upgrades........................................................................................... 14

Article 5 Cost Responsibility for System Upgrade Facilities and System
 Deliverability Upgrades.......................................................................................15
 5.1 Applicability ......................................................................................................... 15
 5.2 System Upgrades .................................................................................................. 15
 5.3 Special Provisions for Affected Systems.............................................................. 15

Article 6 Billing, Payment, Milestones, and Financial Security ......................................16
 6.1 Billing and Payment Procedures and Final Accounting ....................................... 16
 6.2 Milestones............................................................................................................. 16
 6.3 Financial Security Arrangements.......................................................................... 17

Article 7 Assignment, Liability, Indemnity, Force Majeure, Consequential
 Damages, and Default..........................................................................................18
 7.1 Assignment ........................................................................................................... 18
 7.2 Limitation of Liability........................................................................................... 18
 7.3 Indemnity.............................................................................................................. 18
 7.4 Consequential Damages........................................................................................ 19
 7.5 Force Majeure ....................................................................................................... 20

i

 



SERVICE AGREEMENT NO. 2666

 7.6 Breach and Default ............................................................................................... 20
Article 8 Insurance ..............................................................................................................22
Article 9 Confidentiality......................................................................................................23
Article 10 Disputes.................................................................................................................25
Article 11 Taxes......................................................................................................................26

Article 12 Miscellaneous........................................................................................................27
 12.1 Governing Law, Regulatory Authority, and Rules ............................................... 27
 12.2 Amendment........................................................................................................... 27
 12.3 No Third-Party Beneficiaries................................................................................ 27
 12.4 Waiver................................................................................................................... 27
 12.5 Entire Agreement.................................................................................................. 27
 12.6 Multiple Counterparts........................................................................................... 28
 12.7 No Partnership ...................................................................................................... 28
 12.8 Severability ........................................................................................................... 28
 12.9 Security Arrangements.......................................................................................... 28
 12.10 Environmental Releases........................................................................................ 28
 12.11 Subcontractors....................................................................................................... 28
 12.12 Reservation of Rights............................................................................................ 29

Article 13 Notices ...................................................................................................................30
 13.1 General.................................................................................................................. 30
 13.2 Billing and Payment.............................................................................................. 31
 13.3 Alternative Forms of Notice ................................................................................. 31
 13.4 Designated Operating Representative................................................................... 32
 13.5 Changes to the Notice Information....................................................................... 33

Article 14 Signatures .............................................................................................................34

Attachment 1 Glossary of Terms

Attachment 2 Detailed Scope of Work, Including Description and Costs of the Small Generating
Facility, Interconnection Facilities, and Metering Equipment

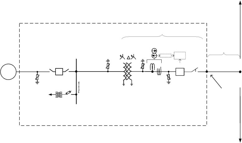
Attachment 3 One-line Diagram Depicting the Small Generating Facility, Interconnection
Facilities, Metering Equipment, and Upgrades

Attachment 4 Milestones

Attachment 5 Additional Operating Requirements for the New York State Transmission System,
the Distribution System and Affected Systems Needed to Support the Interconnection
Customer’s Needs

Attachment 6 Connecting Transmission Owner’s Description of its Upgrades and Best Estimate of Upgrade Costs

Attachment 7 Insurance Coverage

ii

 



SERVICE AGREEMENT NO. 2666

Attachment 8 Initial Synchronization Date

Attachment 9 Commercial Operation Date

iii

 



SERVICE AGREEMENT NO. 2666

This Amended and Restated Standard Small Generator Interconnection Agreement
(“Agreement” or “SGIA”) is made and entered into this 2nd day of April, 2026, by and among
the New York Independent System Operator, Inc., a not-for-profit corporation organized and
existing under the laws of the State of New York (“NYISO”) and Niagara Mohawk Power
Corporation d/b/a National Grid, a corporation organized and existing under the laws of the State
of New York (“Connecting Transmission Owner”), and ELP Ticonderoga Solar LLC a limited
liability company organized and existing under the laws of the State of New York
(“Interconnection Customer”) each hereinafter sometimes referred to individually as “Party” or
referred to collectively as the “Parties.”

In consideration of the mutual covenants set forth herein, the Parties agree as follows:

1

 



SERVICE AGREEMENT NO. 2666

Article 1 Scope and Limitations of Agreement

1.1 Applicability

 This Agreement shall be used for all Interconnection Requests submitted under the Small
Generator Interconnection Procedures (SGIP) except for those submitted under the 10 kW
Inverter Process contained in SGIP Attachment 5.

1.2 Purpose

 This Agreement governs the terms and conditions under which the Interconnection
Customer’s Small Generating Facility will interconnect with, and operate in parallel with, the
New York State Transmission System or the Distribution System.

1.3 Scope of Interconnection Service

1.3.1 The NYISO will provide Energy Resource Interconnection Service and Capacity
Resource Interconnection Services to Interconnection Customer at the Point of
Interconnection.

1.3.2 This Agreement does not constitute an agreement to purchase or deliver the
Interconnection Customer’s power. The purchase or delivery of power and other
services that the Interconnection Customer may require will be covered under
separate agreements, if any, or applicable provisions of NYISO’s or Connecting
Transmission Owner’s tariffs. The Interconnection Customer will be responsible
for separately making all necessary arrangements (including scheduling) for
delivery of electricity in accordance with the applicable provisions of the ISO
OATT and Connecting Transmission Owner’s tariff. The execution of this
Agreement does not constitute a request for, nor agreement to, provide Energy,
any Ancillary Services or Installed Capacity under the NYISO Services Tariff or
any Connecting Transmission Owner’s tariff. If Interconnection Customer wishes
to supply or purchase Energy, Installed Capacity or Ancillary Services, then
Interconnection Customer will make application to do so in accordance with the
NYISO Services Tariff or Connecting Transmission Owner’s tariff.

1.4 Limitations

 Nothing in this Agreement is intended to affect any other agreement by and among the
NYISO, Connecting Transmission Owner and the Interconnection Customer, except as otherwise
expressly provided herein.

1.5 Responsibilities of the Parties

1.5.1 The Parties shall perform all obligations of this Agreement in accordance with all
Applicable Laws and Regulations, Operating Requirements, and Good Utility
Practice.

2

 



SERVICE AGREEMENT NO. 2666

1.5.2 The Interconnection Customer shall construct, interconnect, operate and maintain
its Small Generating Facility and construct, operate, and maintain its
Interconnection Facilities in accordance with the applicable manufacturer’s
recommended maintenance schedule, and in accordance with this Agreement, and
with Good Utility Practice.

1.5.3 The Connecting Transmission Owner shall construct, operate, and maintain its
Interconnection Facilities and Upgrades covered by this Agreement in accordance
with this Agreement, and with Good Utility Practice. If all the Parties agree, the
Interconnection Customer may construct the Connecting Transmission Owner’s
Interconnection Facilities and Upgrades as specified in Attachment 2.

1.5.4 The Interconnection Customer agrees to construct its facilities or systems in
accordance with applicable specifications that meet or exceed those provided by
the National Electrical Safety Code, the American National Standards Institute,
IEEE, Underwriter’s Laboratory, and Operating Requirements in effect at the time
of construction and other applicable national and state codes and standards. The
Interconnection Customer agrees to design, install, maintain, and operate its Small
Generating Facility so as to reasonably minimize the likelihood of a disturbance
adversely affecting or impairing the system or equipment of the Connecting
Transmission Owner or Affected Systems.

1.5.5 The Connecting Transmission Owner and Interconnection Customer shall operate,
maintain, repair, and inspect, and shall be fully responsible for the facilities that it
now or subsequently may own unless otherwise specified in the Attachments to
this Agreement. Each of those Parties shall be responsible for the safe
installation, maintenance, repair and condition of their respective lines and
appurtenances on their respective sides of the point of change of ownership. The
Connecting Transmission Owner and the Interconnection Customer, as
appropriate, shall provide Interconnection Facilities that adequately protect the
Connecting Transmission Owner’s electric system, personnel, and other persons
from damage and injury. The allocation of responsibility for the design,
installation, operation, maintenance and ownership of Interconnection Facilities
shall be delineated in the Attachments to this Agreement.

1.5.6 The NYISO shall coordinate with all Affected Systems to support the
interconnection. The Connecting Transmission Owner shall cooperate with the
NYISO in these efforts.

1.5.7 The Interconnection Customer shall ensure “frequency ride through” capability
and “voltage ride through” capability of its Small Generating Facility. The
Interconnection Customer shall enable these capabilities such that its Small
Generating Facility shall not disconnect automatically or instantaneously from the
system or equipment of the Connecting Transmission Owner and any Affected
Systems for a defined under-frequency or over-frequency condition, or an under-
voltage or over-voltage condition, as tested pursuant to section 2.1 of this
agreement. The defined conditions shall be in accordance with Good Utility

3

 



SERVICE AGREEMENT NO. 2666

Practice and consistent with any standards and guidelines that are applied to other
generating facilities in the Balancing Authority Area on a comparable basis. The
Small Generating Facility’s protective equipment settings shall comply with the
Transmission Owner’s automatic load-shed program. The Transmission Owner
shall review the protective equipment settings to confirm compliance with the
automatic load-shed program. The term “ride through” as used herein shall mean
the ability of a Small Generating Facility to stay connected to and synchronized
with the system or equipment of the Transmission Owner and any Affected
Systems during system disturbances within a range of conditions, in accordance
with Good Utility Practice and consistent with any standards and guidelines that
are applied to other generating facilities in the Balancing Authority on a
comparable basis. The term “frequency ride through” as used herein shall mean
the ability of a Small Generating Facility to stay connected to and synchronized
with the system or equipment of the Transmission Owner and any Affected
Systems during system disturbances within a range of under-frequency and over-
frequency conditions, in accordance with Good Utility Practice and consistent
with any standards and guidelines that are applied to other generating facilities in
the Balancing Authority Area on a comparable basis. The term “voltage ride
through” as used herein shall mean the ability of a Small Generating Facility to
stay connected to and synchronized with the system or equipment of the
Transmission Owner and any Affected Systems during system disturbances
within a range of under-voltage and over-voltage conditions, in accordance with
Good Utility Practice and consistent with any standards and guidelines that are
applied to other generating facilities in the Balancing Authority Area on a
comparable basis.

1.6 Parallel Operation Obligations

 Once the Small Generating Facility has been authorized to commence parallel operation,
the Interconnection Customer shall abide by all rules and procedures pertaining to the parallel
operation of the Small Generating Facility in the applicable control area, including, but not
limited to: (1) the rules and procedures concerning the operation of generation set forth in the
NYISO tariffs or ISO Procedures or the Connecting Transmission Owner’s tariff; (2) any
requirements consistent with Good Utility Practice or that are necessary to ensure the safe and
reliable operation of the Transmission System or Distribution System; and (3) the Operating
Requirements set forth in Attachment 5 of this Agreement.

1.7 Metering

 The Interconnection Customer shall be responsible for the Connecting Transmission
Owner’s reasonable and necessary cost for the purchase, installation, operation, maintenance,
testing, repair, and replacement of metering and data acquisition equipment specified in
Attachments 2 and 3 of this Agreement. The Interconnection Customer’s metering (and data
acquisition, as required) equipment shall conform to applicable industry rules and Operating
Requirements.

4

 



SERVICE AGREEMENT NO. 2666

1.8 Reactive Power and Primary Frequency Response

1.8.1 Power Factor Design Criteria

1.8.1.1 Synchronous Generation. The Interconnection Customer shall design its
Small Generating Facility to maintain a composite power delivery at continuous
rated power output at the Point of Interconnection at a power factor within the
range of 0.95 leading to 0.95 lagging, unless the NYISO or the Transmission
Owner in whose Transmission District the Small Generating Facility interconnects has established different requirements that apply to all similarly
situated generators in the New York Control Area or Transmission District (as
applicable) on a comparable basis, in accordance with Good Utility Practice.

1.8.1.2 Non-Synchronous Generation. The Interconnection Customer shall
design its Small Generating Facility to maintain a composite power delivery at
continuous rated power output at the high-side of the generator substation at a
power factor within the range of 0.95 leading to 0.95 lagging, unless the NYISO
or the Transmission Owner in whose Transmission District the Small Generating
Facility interconnects has established a different power factor range that applies to
all similarly situated non-synchronous generators in the control area or
Transmission District (as applicable) on a comparable basis, in accordance with
Good Utility Practice. This power factor range standard shall be dynamic and can
be met using, for example, power electronics designed to supply this level of
reactive capability (taking into account any limitations due to voltage level, real
power output, etc.) or fixed and switched capacitors, or a combination of the two.
This requirement shall only apply to newly interconnecting non-synchronous
generators that have not yet executed a Facilities Study Agreement as of
September 21, 2016.

1.8.2 The NYISO is required to pay the Interconnection Customer for reactive power,
or voltage support service, that the Interconnection Customer provides from the
Small Generating Facility in accordance with Rate Schedule 2 of the NYISO
Services Tariff.

1.8.3 Primary Frequency Response. Interconnection Customer shall ensure the primary
frequency response capability of its Small Generating Facility by installing,
maintaining, and operating a functioning governor or equivalent controls. The
term “functioning governor or equivalent controls” as used herein shall mean the
required hardware and/or software that provides frequency responsive real power
control with the ability to sense changes in system frequency and autonomously
adjust the Small Generating Facility’s real power output in accordance with the
droop and deadband parameters and in the direction needed to correct frequency
deviations. Interconnection Customer is required to install a governor or
equivalent controls with the capability of operating: (1) with a maximum 5
percent droop and ±0.036 Hz deadband; or (2) in accordance with the relevant
droop, deadband, and timely and sustained response settings from an approved
Applicable Reliability Standard providing for equivalent or more stringent

5

 



SERVICE AGREEMENT NO. 2666

parameters. The droop characteristic shall be: (1) based on the nameplate
capacity of the Small Generating Facility, and shall be linear in the range of
frequencies between 59 to 61 Hz that are outside of the deadband parameter; or
(2) based on an approved Applicable Reliability Standard providing for an
equivalent or more stringent parameter. The deadband parameter shall be: the
range of frequencies above and below nominal (60 Hz) in which the governor or
equivalent controls is not expected to adjust the Small Generating Facility’s real
power output in response to frequency deviations. The deadband shall be
implemented: (1) without a step to the droop curve, that is, once the frequency
deviation exceeds the deadband parameter, the expected change in the Small
Generating Facility’s real power output in response to frequency deviations shall
start from zero and then increase (for under-frequency deviations) or decrease (for
over-frequency deviations) linearly in proportion to the magnitude of the
frequency deviation; or (2) in accordance with an approved Applicable Reliability
Standard providing for an equivalent or more stringent parameter. Interconnection Customer shall notify NYISO that the primary frequency
response capability of the Small Generating Facility has been tested and
confirmed during commissioning. Once Interconnection Customer has
synchronized the Small Generating Facility with the New York State
Transmission System, Interconnection Customer shall operate the Small
Generating Facility consistent with the provisions specified in Articles 1.8.3.1 and

1.8.3.2 of this Agreement. The primary frequency response requirements
contained herein shall apply to both synchronous and non-synchronous Small
Generating Facilities.

1.8.3.1 Governor or Equivalent Controls. Whenever the Small Generating Facility
is operated in parallel with the New York State Transmission System, Interconnection Customer shall operate the Small Generating Facility with its
governor or equivalent controls in service and responsive to frequency.
Interconnection Customer shall: (1) in coordination with NYISO, set the
deadband parameter to: (1) a maximum of ±0.036 Hz and set the droop parameter
to a maximum of 5 percent; or (2) implement the relevant droop and deadband
settings from an approved Applicable Reliability Standard that provides for
equivalent or more stringent parameters. Interconnection Customer shall be
required to provide the status and settings of the governor and equivalent controls
to NYISO and/or the Connecting Transmission Owner upon request. If
Interconnection Customer needs to operate the Small Generating Facility with its
governor or equivalent controls not in service, Interconnection Customer shall
immediately notify NYISO and the Connecting Transmission Owner, and provide
both with the following information: (1) the operating status of the governor or
equivalent controls (i.e., whether it is currently out of service or when it will be
taken out of service); (2) the reasons for removing the governor or equivalent
controls from service; and (3) a reasonable estimate of when the governor or
equivalent controls will be returned to service. Interconnection Customer shall
make Reasonable Efforts to return its governor or equivalent controls into service
as soon as practicable. Interconnection Customer shall make Reasonable Efforts
to keep outages of the Small Generating Facility’s governor or equivalent controls

6

 



SERVICE AGREEMENT NO. 2666

to a minimum whenever the Small Generating Facility is operated in parallel with
the New York State Transmission System.

1.8.3.2 Timely and Sustained Response. Interconnection Customer shall ensure
that the Small Generating Facility’s real power response to sustained frequency
deviations outside of the deadband setting is automatically provided and shall
begin immediately after frequency deviates outside of the deadband, and to the
extent the Small Generating Facility has operating capability in the direction
needed to correct the frequency deviation. Interconnection Customer shall not
block or otherwise inhibit the ability of the governor or equivalent controls to
respond and shall ensure that the response is not inhibited, except under certain
operational constraints including, but not limited to, ambient temperature
limitations, physical energy limitations, outages of mechanical equipment, or
regulatory requirements. The Small Generating Facility shall sustain the real
power response at least until system frequency returns to a value within the
deadband setting of the governor or equivalent controls. An Applicable
Reliability Standard with equivalent or more stringent requirements shall
supersede the above requirements.

1.8.3.3 Exemptions. Small Generating Facilities that are regulated by the United
States Nuclear Regulatory Commission shall be exempt from Articles 1.8.3,

1.8.3.1, and 1.8.3.2 of this Agreement. Small Generating Facilities that are
behind the meter generation that is sized-to-load (i.e., the thermal load and the
generation are near-balanced in real-time operation and the generation is primarily
controlled to maintain the unique thermal, chemical, or mechanical output
necessary for the operating requirements of its host facility) shall be required to
install primary frequency response capability requirements in accordance with the
droop and deadband capability requirements specified in Article 1.8.3, but shall
be otherwise exempt from the operating requirements in Articles 1.8.3, 1.8.3.1,

1.8.3.2, and 1.8.3.4 of this Agreement.

1.8.3.4 Electric Storage Resources. Interconnection Customer interconnecting an
electric storage resource shall establish an operating range in Attachment 5 of its
SGIA that specifies a minimum state of charge and a maximum state of charge
between which the electric storage resource will be required to provide primary
frequency response consistent with the conditions set forth in Articles 1.8.3,

1.8.3.1, 1.8.3.2, and 1.8.3.3 of this Agreement. Attachment 5 shall specify
whether the operating range is static or dynamic, and shall consider (1) the
expected magnitude of frequency deviations in the interconnection; (2) the
expected duration that system frequency will remain outside of the deadband
parameter in the interconnection; (3) the expected incidence of frequency
deviations outside of the deadband parameter in the interconnection; (4) the
physical capabilities of the electric storage resource; (5) operational limitations of
the electric storage resources due to manufacturer specification; and (6) any other
relevant factors agreed to by the NYISO, Connecting Transmission Owner, and
Interconnection Customer. If the operating range is dynamic, then Attachment 5

7

 



SERVICE AGREEMENT NO. 2666

must establish how frequently the operating range will be reevaluated and the
factors that may be considered during its reevaluation.

Interconnection Customer’s electric storage resource is required to provide timely
and sustained primary frequency response consistent with Article 1.8.3.2 of this
Agreement when it is online and dispatched to inject electricity to the New York
State Transmission System and/or receive electricity from the New York State
Transmission System. This excludes circumstances when the electric storage
resource is not dispatched to inject electricity to the New York State Transmission
System and/or dispatched to receive electricity from the New York State
Transmission System. If Interconnection Customer’s electric storage resource is
charging at the time of a frequency deviation outside of its deadband parameter, it
is to increase (for over-frequency deviations) or decrease (for under-frequency
deviations) the rate at which it is charging in accordance with its droop parameter.
Interconnection Customer’s electric storage resource is not required to change
from charging to discharging, or vice versa, unless the response necessitated by
the droop and deadband settings requires it to do so and it is technically capable
of making such a transition.

1.9 Capitalized Terms

 Capitalized terms used herein shall have the meanings specified in the Glossary of Terms
in Attachment 1 or the body of this Agreement. Capitalized terms used herein that are not so
defined shall have the meanings specified in Appendix 1 of Attachment Z, Section 25.1.2 of
Attachment S, or Section 30.1 of Attachment X of the ISO OATT.

8

 



SERVICE AGREEMENT NO. 2666

Article 2 Inspection, Testing, Authorization, and Right of Access

2.1 Equipment Testing and Inspection

2.1.1 The Interconnection Customer shall test and inspect its Small Generating Facility
and Interconnection Facilities prior to interconnection. The Interconnection
Customer shall notify the NYISO and the Connecting Transmission Owner of
such activities no fewer than five Business Days (or as may be agreed to by the
Parties) prior to such testing and inspection. Testing and inspection shall occur on
a Business Day. The Connecting Transmission Owner may, at its own expense,
send qualified personnel to the Small Generating Facility site to inspect the
interconnection and observe the testing. The Interconnection Customer shall
provide the NYISO and Connecting Transmission Owner a written test report
when such testing and inspection is completed. The Small Generating Facility
may not commence parallel operations if the NYISO, in consultation with the
Connecting Transmission Owner, finds that the Small Generating Facility has not
been installed as agreed upon or may not be operated in a safe and reliable
manner.

2.1.2 The NYISO and Connecting Transmission Owner shall each provide the
Interconnection Customer written acknowledgment that it has received the
Interconnection Customer’s written test report. Such written acknowledgment
shall not be deemed to be or construed as any representation, assurance,
guarantee, or warranty by the NYISO or Connecting Transmission Owner of the
safety, durability, suitability, or reliability of the Small Generating Facility or any
associated control, protective, and safety devices owned or controlled by the
Interconnection Customer or the quality of power produced by the Small
Generating Facility.

2.2 Authorization Required Prior to Parallel Operation

2.2.1 The NYISO, in consultation with the Connecting Transmission Owner, shall use
Reasonable Efforts to list applicable parallel Operating Requirements in

Attachment 5 of this Agreement. Additionally, the NYISO, in consultation with
the Connecting Transmission Owner, shall notify the Interconnection Customer of
any changes to these requirements as soon as they are known. The NYISO and
Connecting Transmission Owner shall make Reasonable Efforts to cooperate with
the Interconnection Customer in meeting requirements necessary for the Interconnection Customer to commence parallel operations by the in-service date.

2.2.2 The Interconnection Customer shall not operate its Small Generating Facility in
parallel with the New York State Transmission System or the Distribution System
without prior written authorization of the NYISO. The NYISO, in consultation
with the Connecting Transmission Owner, will provide such authorization once
the NYISO receives notification that the Interconnection Customer has complied
with all applicable parallel Operating Requirements. Such authorization shall not
be unreasonably withheld, conditioned, or delayed.

9

 



SERVICE AGREEMENT NO. 2666

2.3 Right of Access

2.3.1 Upon reasonable notice, the NYISO and/or Connecting Transmission Owner may
send a qualified person to the premises of the Interconnection Customer at or
immediately before the time the Small Generating Facility first produces energy
to inspect the interconnection, and observe the commissioning of the Small
Generating Facility (including any required testing), startup, and operation for a
period of up to three Business Days after initial start-up of the unit. In addition,
the Interconnection Customer shall notify the NYISO and Connecting
Transmission Owner at least five Business Days prior to conducting any on-site
verification testing of the Small Generating Facility.

2.3.2 Following the initial inspection process described above, at reasonable hours, and
upon reasonable notice, or at any time without notice in the event of an
emergency or hazardous condition, the NYISO and Connecting Transmission
Owner each shall have access to the Interconnection Customer’s premises for any
reasonable purpose in connection with the performance of the obligations
imposed on them by this Agreement or if necessary to meet their legal obligation
to provide service to their customers.

2.3.3 Each Party shall be responsible for its own costs associated with following this
article.

10

 



SERVICE AGREEMENT NO. 2666

Article 3 Effective Date, Term, Termination, and Disconnection

3.1 Effective Date

 This Agreement shall become effective upon execution by the Parties subject to
acceptance by FERC (if applicable), or if filed unexecuted, upon the date specified by the FERC.
The NYISO and Connecting Transmission Owner shall promptly file, or cause to be filed, this
Agreement with FERC upon execution, if required. If the Agreement is disputed and the
Interconnection Customer requests that it be filed with FERC in an unexecuted form, the NYISO
shall file, or cause to be filed, this Agreement and the NYISO shall identify the disputed
language.

3.2 Term of Agreement

 This Agreement shall become effective on the Effective Date and shall remain in effect
for a period of twenty (20) years from the Effective Date and shall be automatically renewed for
each successive one-year period thereafter, unless terminated earlier in accordance with article

3.3 of this Agreement.

3.3 Termination

 No termination shall become effective until the Parties have complied with all Applicable
Laws and Regulations applicable to such termination, including the filing with FERC of a notice
of termination of this Agreement (if required), which notice has been accepted for filing by
FERC.

3.3.1 The Interconnection Customer may terminate this Agreement at any time by
giving the NYISO and Connecting Transmission Owner 20 Business Days written
notice. The NYISO may terminate this Agreement after the Small Generating
Facility is Retired.

3.3.2 Any Party may terminate this Agreement after Default pursuant to article 7.6.

3.3.3 Upon termination of this Agreement, the Small Generating Facility will be
disconnected from the New York State Transmission System or the Distribution
System, as applicable. All costs required to effectuate such disconnection shall be
borne by the terminating Party, unless such termination resulted from the non-
terminating Party’s Default of this SGIA or such non-terminating Party otherwise
is responsible for these costs under this SGIA.

3.3.4 The termination of this Agreement shall not relieve any Party of its liabilities and
obligations, owed or continuing at the time of the termination. The

Interconnection Customer shall pay all amounts in excess of any deposit or other
security without interest within 30 calendar days after receipt of the invoice for
such amounts. If the deposit or other security exceeds the invoice, the Connecting
Transmission Owner shall refund such excess within 30 calendar days of the
invoice without interest. If the Interconnection Customer disputes an amount to
be paid the Interconnection Customer shall pay the disputed amount to the

11

 



SERVICE AGREEMENT NO. 2666

Connecting Transmission Owner or into an interest bearing escrow account,
pending resolution of the dispute in accordance with Article 10 of this Agreement.
To the extent the dispute is resolved in the Interconnection Customer’s favor, that
portion of the disputed amount will be returned to the Interconnection Customer
with interest at rates applicable to refunds under the Commission’s regulations.
To the extent the dispute is resolved in the Connecting Transmission Owner’s
favor, that portion of any escrowed funds and interest will be released to the
Connecting Transmission Owner.

3.3.5 The limitations of liability, indemnification and confidentiality provisions of this
Agreement shall survive termination or expiration of this Agreement.

3.4 Temporary Disconnection

 Temporary disconnection shall continue only for so long as reasonably necessary under
Good Utility Practice.

3.4.1 Emergency Conditions

 “Emergency Condition” shall mean a condition or situation: (1) that in the judgment of
the Party making the claim is imminently likely to endanger life or property; or (2) that, in the
case of the NYISO or Connecting Transmission Owner, is imminently likely (as determined in a
non-discriminatory manner) to cause a material adverse effect on the security of, or damage to
the New York State Transmission System or Distribution System, the Connecting Transmission
Owner’s Interconnection Facilities or the electric systems of others to which the New York State
Transmission System or Distribution System is directly connected; or (3) that, in the case of the
Interconnection Customer, is imminently likely (as determined in a non-discriminatory manner)
to cause a material adverse effect on the security of, or damage to, the Small Generating Facility
or the Interconnection Customer’s Interconnection Facilities. Under Emergency Conditions, the
NYISO or Connecting Transmission Owner may immediately suspend interconnection service
and temporarily disconnect the Small Generating Facility. The NYISO or Connecting
Transmission Owner shall notify the Interconnection Customer promptly when it becomes aware
of an Emergency Condition that may reasonably be expected to affect the Interconnection
Customer’s operation of the Small Generating Facility. The Interconnection Customer shall
notify the NYISO and Connecting Transmission Owner promptly when it becomes aware of an
Emergency Condition that may reasonably be expected to affect the New York State
Transmission System or Distribution System or any Affected Systems. To the extent
information is known, the notification shall describe the Emergency Condition, the extent of the
damage or deficiency, the expected effect on the operation of each Party’s facilities and
operations, its anticipated duration, and the necessary corrective action.

3.4.2 Routine Maintenance, Construction, and Repair

 The NYISO or Connecting Transmission Owner may interrupt interconnection service or
curtail the output of the Small Generating Facility and temporarily disconnect the Small
Generating Facility from the New York State Transmission System or Distribution System when
necessary for routine maintenance, construction, and repairs on the New York State

12

 



SERVICE AGREEMENT NO. 2666

Transmission System or Distribution System. The NYISO or the Connecting Transmission
Owner shall provide the Interconnection Customer with five Business Days notice prior to such
interruption. The NYISO and Connecting Transmission Owner shall use Reasonable Efforts to
coordinate such reduction or temporary disconnection with the Interconnection Customer.

3.4.3 Forced Outages

 During any forced outage, the NYISO or Connecting Transmission Owner may suspend
interconnection service to the Interconnection Customer to effect immediate repairs on the New
York State Transmission System or the Distribution System. The NYISO shall use Reasonable
Efforts to provide the Interconnection Customer with prior notice. If prior notice is not given,
the NYISO shall, upon request, provide the Interconnection Customer written documentation
after the fact explaining the circumstances of the disconnection.

3.4.4 Adverse Operating Effects

 The NYISO or Connecting Transmission Owner shall notify the Interconnection
Customer as soon as practicable if, based on Good Utility Practice, operation of the Small
Generating Facility may cause disruption or deterioration of service to other customers served
from the same electric system, or if operating the Small Generating Facility could cause damage
to the New York State Transmission System, the Distribution System or Affected Systems, or if
disconnection is otherwise required under Applicable Reliability Standards or the ISO OATT.
Supporting documentation used to reach the decision to disconnect shall be provided to the
Interconnection Customer upon request. If, after notice, the Interconnection Customer fails to
remedy the adverse operating effect within a reasonable time, the NYISO or Connecting
Transmission Owner may disconnect the Small Generating Facility. The NYISO or Connecting
Transmission Owner shall provide the Interconnection Customer with five Business Day notice
of such disconnection, unless the provisions of article 3.4.1 apply.

3.4.5 Modification of the Small Generating Facility

 The Interconnection Customer must receive written authorization from the NYISO and
Connecting Transmission Owner before making any change to the Small Generating Facility that
may have a material impact on the safety or reliability of the New York State Transmission
System or the Distribution System. Such authorization shall not be unreasonably withheld.
Modifications shall be done in accordance with Good Utility Practice. If the Interconnection
Customer makes such modification without the prior written authorization of the NYISO and
Connecting Transmission Owner, the Connecting Transmission Owner shall have the right to
temporarily disconnect the Small Generating Facility. If disconnected, the Small Generating
Facility will not be reconnected until the unauthorized modifications are authorized or removed.

3.4.6 Reconnection

 The Parties shall cooperate with each other to restore the Small Generating Facility,
Interconnection Facilities, and the New York State Transmission System and Distribution
System to their normal operating state as soon as reasonably practicable following a temporary
disconnection.

13

 



SERVICE AGREEMENT NO. 2666

Article 4 Cost Responsibility for Interconnection Facilities and Distribution Upgrades

4.1 Interconnection Facilities

4.1.1 The Interconnection Customer shall pay for the cost of the Interconnection
Facilities itemized in Attachment 2 of this Agreement. The NYISO, in
consultation with the Connecting Transmission Owner, shall provide a best
estimate cost, including overheads, for the purchase and construction of its
Interconnection Facilities and provide a detailed itemization of such costs. Costs
associated with Interconnection Facilities may be shared with other entities that
may benefit from such facilities by agreement of the Interconnection Customer,
such other entities, the NYISO, and the Connecting Transmission Owner.

4.1.2 The Interconnection Customer shall be responsible for its share of all reasonable
expenses, including overheads, associated with (1) owning, operating,
maintaining, repairing, and replacing its own Interconnection Facilities, and
(2) operating, maintaining, repairing, and replacing the Connecting Transmission
Owner’s Interconnection Facilities, as set forth in Attachment 2 to this
Agreement.

4.2 Distribution Upgrades

 The Connecting Transmission Owner shall design, procure, construct, install, and own
the Distribution Upgrades described in Attachment 6 of this Agreement. If the Connecting
Transmission Owner and the Interconnection Customer agree, the Interconnection Customer may
construct Distribution Upgrades. The actual cost of the Distribution Upgrades, including
overheads, shall be directly assigned to the Interconnection Customer. The Interconnection
Customer shall be responsible for its share of all reasonable expenses, including overheads,
associated with owning, operating, maintaining, repairing, and replacing the Distribution
Upgrades, as set forth in Attachment 6 to this Agreement.

14

 



SERVICE AGREEMENT NO. 2666

Article 5 Cost Responsibility for System Upgrade Facilities and System Deliverability
Upgrades

5.1 Applicability

 No portion of this article 5 shall apply unless the interconnection of the Small Generating
Facility requires System Upgrade Facilities or System Deliverability Upgrades.

5.2 System Upgrades

 The Connecting Transmission Owner shall procure, construct, install, and own the
System Upgrade Facilities and System Deliverability Upgrades described in Attachment 6 of this
Agreement. To the extent that design work is necessary in addition to that already accomplished
in the Class Year Interconnection Facilities Study for the Interconnection Customer, the
Connecting Transmission Owner shall perform or cause to be performed such work. If all the
Parties agree, the Interconnection Customer may construct System Upgrade Facilities and
System Deliverability Upgrades.

5.2.1 As described in Section 32.3.5.3 of the SGIP in Attachment Z of the ISO OATT,
the responsibility of the Interconnection Customer for the cost of the System
Upgrade Facilities and System Deliverability Upgrades described in Attachment 6
of this Agreement shall be determined in accordance with Attachment S of the
ISO OATT, as required by Section 32.3.5.3.2 of Attachment Z. The
Interconnection Customer shall be responsible for all System Upgrade Facility
costs as required by Section 32.3.5.3.2 of Attachment Z or its share of any System
Upgrade Facilities and System Deliverability Upgrades costs resulting from the
final Attachment S process, as applicable, and Attachment 6 to this Agreement
shall be revised accordingly.

5.2.2 Pending the outcome of the Attachment S cost allocation process, if applicable,
the Interconnection Customer may elect to proceed with the interconnection of its
Small Generating Facility in accordance with Section 32.3.5.3 of the SGIP.

5.3 Special Provisions for Affected Systems

 For the repayment of amounts advanced to the Affected System Operator for System
Upgrade Facilities or System Deliverability Upgrades, the Interconnection Customer and
Affected System Operator shall enter into an agreement that provides for such repayment, but
only if responsibility for the cost of such System Upgrade Facilities is not to be allocated in
accordance with Attachment S of the ISO OATT. The agreement shall specify the terms
governing payments to be made by the Interconnection Customer to the Affected System
Operator as well as the repayment by the Affected System Operator.

15

 



SERVICE AGREEMENT NO. 2666

Article 6 Billing, Payment, Milestones, and Financial Security

6.1 Billing and Payment Procedures and Final Accounting

6.1.1 The Connecting Transmission Owner shall bill the Interconnection Customer for
the design, engineering, construction, and procurement costs of Interconnection
Facilities and Upgrades contemplated by this Agreement on a monthly basis, or as
otherwise agreed by those Parties. The Interconnection Customer shall pay all
invoice amounts within 30 calendar days after receipt of the invoice.

6.1.2 Within three months of completing the construction and installation of the
Connecting Transmission Owner’s Interconnection Facilities and/or Upgrades
described in the Attachments to this Agreement, the Connecting Transmission
Owner shall provide the Interconnection Customer with a final accounting report
of any difference between (1) the Interconnection Customer’s cost responsibility
for the actual cost of such facilities or Upgrades, and (2) the Interconnection
Customer’s previous aggregate payments to the Connecting Transmission Owner
for such facilities or Upgrades. If the Interconnection Customer’s cost
responsibility exceeds its previous aggregate payments, the Connecting
Transmission Owner shall invoice the Interconnection Customer for the amount
due and the Interconnection Customer shall make payment to the Connecting
Transmission Owner within 30 calendar days. If the Interconnection Customer’s
previous aggregate payments exceed its cost responsibility under this Agreement,
the Connecting Transmission Owner shall refund to the Interconnection Customer
an amount equal to the difference within 30 calendar days of the final accounting
report.

6.1.3 If the Interconnection Customer disputes an amount to be paid, the
Interconnection Customer shall pay the disputed amount to the Connecting
Transmission Owner or into an interest bearing escrow account, pending
resolution of the dispute in accordance with Article 10 of this Agreement. To the
extent the dispute is resolved in the Interconnection Customer’s favor, that portion
of the disputed amount will be credited or returned to the Interconnection
Customer with interest at rates applicable to refunds under the Commission’s
regulations. To the extent the dispute is resolved in the Connecting Transmission
Owner’s favor, that portion of any escrowed funds and interest will be released to
the Connecting Transmission Owner.

6.2 Milestones

 Subject to the provisions of the SGIP, the Parties shall agree on milestones for which
each Party is responsible and list them in Attachment 4 of this Agreement. A Party’s obligations
under this provision may be extended by agreement. If a Party anticipates that it will be unable
to meet a milestone for any reason other than a Force Majeure event, it shall immediately notify
the other Parties of the reason(s) for not meeting the milestone and: (1) propose the earliest
reasonable alternate date by which it can attain this and future milestones, and (2) requesting
appropriate amendments to Attachment 4. The Party affected by the failure to meet a milestone

16

 



SERVICE AGREEMENT NO. 2666

shall not unreasonably withhold agreement to such an amendment unless: (1) it will suffer
significant uncompensated economic or operational harm from the delay, (2) attainment of the
same milestone has previously been delayed, or (3) it has reason to believe that the delay in
meeting the milestone is intentional or unwarranted notwithstanding the circumstances explained
by the Party proposing the amendment.

6.3 Financial Security Arrangements

 At least 20 Business Days prior to the commencement of the design, procurement,
installation, or construction of a discrete portion of the Connecting Transmission Owner’s
Interconnection Facilities and Upgrades, the Interconnection Customer shall provide the
Connecting Transmission Owner, at the Interconnection Customer’s option, a guarantee, a surety
bond, letter of credit or other form of security that is reasonably acceptable to the Connecting
Transmission Owner and is consistent with the Uniform Commercial Code of the jurisdiction
where the Point of Interconnection is located. Such security for payment shall be in an amount
sufficient to cover the costs for constructing, designing, procuring, and installing the applicable
portion of the Connecting Transmission Owner’s Interconnection Facilities and Upgrades and
shall be reduced on a dollar-for-dollar basis for payments made to the Connecting Transmission
Owner under this Agreement during its term. The Connecting Transmission Owner may draw
on any such security to the extent that the Interconnection Customer fails to make any payments
due under this Agreement. In addition:

6.3.1 The guarantee must be made by an entity that meets the creditworthiness
requirements of the Connecting Transmission Owner, and contain terms and
conditions that guarantee payment of any amount that may be due from the
Interconnection Customer, up to an agreed-to maximum amount.

6.3.2 The letter of credit or surety bond must be issued by a financial institution or
insurer reasonably acceptable to the Connecting Transmission Owner and must
specify a reasonable expiration date.

6.3.3 Notwithstanding the above, Security posted for System Upgrade Facilities for a
Small Generating Facility required to enter the Class Year process, or cash or
Security provided for System Deliverability Upgrades, shall meet the

requirements for Security contained in Attachment S to the ISO OATT.

17

 



SERVICE AGREEMENT NO. 2666

Article 7 Assignment, Liability, Indemnity, Force Majeure, Consequential Damages,
and Default

7.1 Assignment

 This Agreement, and each and every term and condition hereof, shall be binding upon
and inure to the benefit of the Parties hereto and their respective successors and assigns. This
Agreement may be assigned by any Party upon 15 Business Days prior written notice and
opportunity to object by the other Parties; provided that:

7.1.1 A Party may assign this Agreement without the consent of the other Parties to any
affiliate of the assigning Party with an equal or greater credit rating and with the
legal authority and operational ability to satisfy the obligations of the assigning
Party under this Agreement, provided that the Interconnection Customer promptly
notifies the NYISO and the Connecting Transmission Owner of any such
assignment. A Party may assign this Agreement without the consent of the other
Parties in connection with the sale, merger, restructuring, or transfer of a
substantial portion of all of its assets, including the Interconnection Facilities it
owns, so long as the assignee in such a transaction directly assumes all rights,
duties and obligation arising under this Agreement.

7.1.2 The Interconnection Customer shall have the right to assign this Agreement,
without the consent of the NYISO or Connecting Transmission Owner, for
collateral security purposes to aid in providing financing for the Small Generating
Facility.

7.1.3 Any attempted assignment that violates this article is void and ineffective.
Assignment shall not relieve a Party of its obligations, nor shall a Party’s
obligations be enlarged, in whole or in part, by reason thereof. An assignee is
responsible for meeting the same financial, credit, and insurance obligations as
the Interconnection Customer. Where required, consent to assignment will not be
unreasonably withheld, conditioned or delayed.

7.2 Limitation of Liability

 Each Party’s liability to the other Parties for any loss, cost, claim, injury, liability, or
expense, including reasonable attorney’s fees, relating to or arising from any act or omission in
its performance of this Agreement, shall be limited to the amount of direct damage actually
incurred. In no event shall any Party be liable to the other Parties for any indirect, special,
consequential, or punitive damages.

7.3 Indemnity

7.3.1 This provision protects each Party from liability incurred to third parties as a
result of carrying out the provisions of this Agreement. Liability under this
provision is exempt from the general limitations on liability found in article 7.2.

18

 



SERVICE AGREEMENT NO. 2666

7.3.2 Each Party (the “Indemnifying Party”) shall at all times indemnify, defend, and
hold harmless the other Parties (each an Indemnified Party”) from, any and all
damages, losses, claims, including claims and actions relating to injury to or death
of any person or damage to property, the alleged violation of any Environmental
Law, or the release or threatened release of any Hazardous Substance, demand,
suits, recoveries, costs and expenses, court costs, attorney fees, and all other
obligations by or to third parties (any and all of these a “Loss”), arising out of or
resulting from: (i) the Indemnified Party’s performance under this Agreement on
behalf of the Indemnifying Party, except in cases where the Indemnifying Party
can demonstrate that the Loss of the Indemnified Party was caused by the gross
negligence or intentional wrongdoing by the Indemnified Party, or (ii) the
violation by the Indemnifying Party of any Environmental Law or the release by
the Indemnifying Party of a Hazardous Substance.

7.3.3 If a Party is entitled to indemnification under this article as a result of a claim by a
third party, and the Indemnifying Party fails, after notice and reasonable
opportunity to proceed under this article, to assume the defense of such claim,
such Indemnified Party may at the expense of the Indemnifying Party contest,
settle or consent to the entry of any judgment with respect to, or pay in full, such
claim.

7.3.4 If an Indemnifying Party is obligated to indemnify and hold any Indemnified
Party harmless under this article, the amount owing to the Indemnified Party shall
be the amount of such Indemnified Party’s actual loss, net of any insurance or
other recovery.

7.3.5 Promptly after receipt by an Indemnified Party of any claim or notice of the
commencement of any action or administrative or legal proceeding or

investigation as to which the indemnity provided for in this article may apply, the
Indemnified Party shall notify the Indemnifying Party of such fact. Any failure of
or delay in such notification shall not affect a Party’s indemnification obligation
unless such failure or delay is materially prejudicial to the Indemnifying Party.

7.4 Consequential Damages

 Other than as expressly provided for in this Agreement, no Party shall be liable under any
provision of this Agreement for any losses, damages, costs or expenses for any special, indirect,
incidental, consequential, or punitive damages, including but not limited to loss of profit or
revenue, loss of the use of equipment, cost of capital, cost of temporary equipment or services,
whether based in whole or in part in contract, in tort, including negligence, strict liability, or any
other theory of liability; provided, however, that damages for which a Party may be liable to
another Party under another agreement will not be considered to be special, indirect, incidental,
or consequential damages hereunder.

19

 



SERVICE AGREEMENT NO. 2666

7.5 Force Majeure

7.5.1 As used in this article, a “Force Majeure Event” shall mean “any act of God, labor
disturbance, act of the public enemy, war, insurrection, riot, fire, storm or flood,
explosion, breakage or accident to machinery or equipment, any order, regulation
or restriction imposed by governmental, military or lawfully established civilian
authorities, or any other cause beyond a Party’s control. A Force Majeure Event
does not include an act of negligence or intentional wrongdoing.” For the
purposes of this article, this definition of Force Majeure shall supersede the
definitions of Force Majeure set out in Section 32.10.1 of the ISO OATT.

7.5.2 If a Force Majeure Event prevents a Party from fulfilling any obligations under
this Agreement, the Party affected by the Force Majeure Event (“Affected Party”)
shall promptly notify the other Parties, either in writing or via the telephone, of
the existence of the Force Majeure Event. The notification must specify in
reasonable detail the circumstances of the Force Majeure Event, its expected
duration, and the steps that the Affected Party is taking to mitigate the effects of
the event on its performance. The Affected Party shall keep the other Parties
informed on a continuing basis of developments relating to the Force Majeure
Event until the event ends. The Affected Party will be entitled to suspend or
modify its performance of obligations under this Agreement (other than the
obligation to make payments) only to the extent that the effect of the Force
Majeure Event cannot be mitigated by the use of Reasonable Efforts. The
Affected Party will use Reasonable Efforts to resume its performance as soon as
possible.

7.6 Breach and Default

7.6.1 No Breach of this Agreement shall exist where such failure to discharge an
obligation (other than the payment of money) is the result of a Force Majeure
Event or the result of an act or omission of the other Parties. Upon a Breach, the
non-breaching Party shall give written notice of such Breach to the Breaching
Party. Except as provided in article 7.6.2, the Breaching Party shall have 60
calendar days from receipt of the Breach notice within which to cure such Breach;
provided however, if such Breach is not capable of cure within 60 calendar days,
the Breaching Party shall commence such cure within 20 calendar days after
notice and continuously and diligently complete such cure within six months from
receipt of the Breach notice; and, if cured within such time, the Breach specified
in such notice shall cease to exist.

7.6.2 If a Breach is not cured as provided in this article, or if a Breach is not capable of
being cured within the period provided for herein, a Default shall exist and the
non-defaulting Parties acting together shall thereafter have the right to terminate
this Agreement, in accordance with article 3.3 hereof, by written notice to the
defaulting Party at any time until cure occurs, and be relieved of any further
obligation hereunder and, whether or not those Parties terminate this Agreement,
to recover from the defaulting Party all amounts due hereunder, plus all other

20

 



SERVICE AGREEMENT NO. 2666

damages and remedies to which they are entitled at law or in equity. The
provisions of this article shall survive termination of this Agreement.

7.6.3 In cases where the Interconnection Customer has elected to proceed under
Section 32.3.5.3 of the SGIP, if the Interconnection Request is withdrawn or
deemed withdrawn pursuant to the SGIP during the term of this Agreement, this
Agreement shall terminate.

21

 



SERVICE AGREEMENT NO. 2666

Article 8 Insurance

8.1 The Interconnection Customer shall, at its own expense, maintain in force general
liability insurance without any exclusion for liabilities related to the interconnection
undertaken pursuant to this Agreement. The amount of such insurance shall be sufficient
to insure against all reasonably foreseeable direct liabilities given the size and nature of
the generating equipment being interconnected, the interconnection itself, and the
characteristics of the system to which the interconnection is made. Such insurance
coverage is specified in Attachment 7 to this Agreement. The Interconnection Customer
shall obtain additional insurance only if necessary as a function of owning and operating
a generating facility. Such insurance shall be obtained from an insurance provider
authorized to do business in New York State where the interconnection is located.
Certification that such insurance is in effect shall be provided upon request of the
Connecting Transmission Owner, except that the Interconnection Customer shall show
proof of insurance to the Connecting Transmission Owner no later than ten Business
Days prior to the anticipated commercial operation date. An Interconnection Customer
of sufficient creditworthiness may propose to self-insure for such liabilities, and such a
proposal shall not be unreasonably rejected.

8.2 The NYISO and Connecting Transmission Owner agree to maintain general liability
insurance or self-insurance consistent with the existing commercial practice. Such
insurance or self-insurance shall not exclude the liabilities undertaken pursuant to this
Agreement.

8.3 The Parties further agree to notify one another whenever an accident or incident occurs
resulting in any injuries or damages that are included within the scope of coverage of
such insurance, whether or not such coverage is sought.

22

 



SERVICE AGREEMENT NO. 2666

Article 9 Confidentiality

9.1 Confidential Information shall mean any confidential and/or proprietary information
provided by one Party to the other Party that is clearly marked or otherwise designated
“Confidential.” For purposes of this Agreement all design, operating specifications, and
metering data provided by the Interconnection Customer shall be deemed Confidential
Information regardless of whether it is clearly marked or otherwise designated as such.
Confidential Information shall include, without limitation, information designated as
such by the NYISO Code of Conduct contained in Attachment F to the ISO OATT.

9.2 Confidential Information does not include information previously in the public domain,
required to be publicly submitted or divulged by Governmental Authorities (after notice
to the other Party and after exhausting any opportunity to oppose such publication or
release), or necessary to be divulged in an action to enforce this Agreement. Each Party
receiving Confidential Information shall hold such information in confidence and shall
not disclose it to any third party nor to the public without the prior written authorization
from the Party providing that information, except to fulfill obligations under this
Agreement, or to fulfill legal or regulatory requirements.

9.2.1 Each Party shall employ at least the same standard of care to protect Confidential
Information obtained from the other Parties as it employs to protect its own
Confidential Information.

9.2.2 Each Party is entitled to equitable relief, by injunction or otherwise, to enforce its
rights under this provision to prevent the release of Confidential Information
without bond or proof of damages, and may seek other remedies available at law
or in equity for breach of this provision.

9.3 Notwithstanding anything in this article to the contrary, and pursuant to 18 CFR §
lb.20, if FERC, during the course of an investigation or otherwise, requests
information from one of the Parties that is otherwise required to be maintained in
confidence pursuant to this Agreement, the Party shall provide the requested
information to FERC, within the time provided for in the request for information.
In providing the information to FERC, the Party may, consistent with 18 CFR §
388.112, request that the information be treated as confidential and non-public by
FERC and that the information be withheld from public disclosure. Each Party is
prohibited from notifying the other Parties to this Agreement prior to the release
of the Confidential Information to FERC. The Party shall notify the other Parties
to this Agreement when it is notified by FERC that a request to release
Confidential Information has been received by FERC, at which time either of the
Parties may respond before such information would be made public, pursuant to
18 CFR § 388.112. Requests from a state regulatory body conducting a
confidential investigation shall be treated in a similar manner if consistent with
the applicable state rules and regulations.

9.4 Consistent with the provisions of this article 9, the Parties to this Agreement will
cooperate in good faith to provide each other, Affected Systems, Affected System

23

 



SERVICE AGREEMENT NO. 2666

Operators, and state and federal regulators the information necessary to carry out
the terms of the SGIP and this Agreement.

24

 



SERVICE AGREEMENT NO. 2666

Article 10 Disputes

10.1 The NYISO, Connecting Transmission Owner and Interconnection Customer agree to
attempt to resolve all disputes arising out of the interconnection process according to the
provisions of this article.

10.2 In the event of a dispute, the Parties will first attempt to promptly resolve it on an
informal basis. The NYISO will be available to the Interconnection Customer and
Connecting Transmission Owner to help resolve any dispute that arises with respect to
performance under this Agreement. If the Parties cannot promptly resolve the dispute on
an informal basis, then any Party shall provide the other Parties with a written Notice of
Dispute. Such notice shall describe in detail the nature of the dispute.

10.3 If the dispute has not been resolved within two Business Days after receipt of the notice,
any Party may contact FERC’s Dispute Resolution Service (“DRS”) for assistance in
resolving the dispute.

10.4 The DRS will assist the Parties in either resolving their dispute or in selecting an
appropriate dispute resolution venue (e.g., mediation, settlement judge, early neutral
evaluation, or technical expert) to assist the Parties in resolving their dispute. The result
of this dispute resolution process will be binding only if the Parties agree in advance.
DRS can be reached at 1-877-337-2237 or via the internet at

http://www.ferc.gov/legal/adr.asp.

10.5 Each Party agrees to conduct all negotiations in good faith and will be responsible for
one-third of any costs paid to neutral third-parties.

10.6 If any Party elects to seek assistance from the DRS, or if the attempted dispute resolution
fails, then any Party may exercise whatever rights and remedies it may have in equity or
law consistent with the terms of this Agreement.

25

 



SERVICE AGREEMENT NO. 2666

Article 11 Taxes

11.1 The Parties agree to follow all applicable tax laws and regulations, consistent with FERC
policy and Internal Revenue Service requirements.

11.2 Each Party shall cooperate with the other Parties to maintain the other Parties’ tax status.
Nothing in this Agreement is intended to adversely affect the tax status of any Party
including the status of NYISO, or the status of any Connecting Transmission Owner with
respect to the issuance of bonds including, but not limited to, Local Furnishing Bonds.
Notwithstanding any other provisions of this Agreement, LIPA, NYPA and Consolidated
Edison Company of New York, Inc. shall not be required to comply with any provisions
of this Agreement that would result in the loss of tax-exempt status of any of their Tax-
Exempt Bonds or impair their ability to issue future tax-exempt obligations. For
purposes of this provision, Tax-Exempt Bonds shall include the obligations of the Long
Island Power Authority, NYPA and Consolidated Edison Company of New York, Inc.,
the interest on which is not included in gross income under the Internal Revenue Code.

11.3 LIPA and NYPA do not waive their exemptions, pursuant to Section 201(f) of the FPA,
from Commission jurisdiction with respect to the Commission’s exercise of the FPA’s
general ratemaking authority.

11.4 Any payments due to the Connecting Transmission Owner under this Agreement shall be
adjusted to include any tax liability incurred by the Connecting Transmission Owner with
respect to the interconnection request which is the subject of this Agreement. Such
adjustments shall be made in accordance with the provisions of Article 5.17 of the LGIA
in Attachment X of the ISO OATT. Except where otherwise noted, all costs, deposits,
financial obligations and the like specified in this Agreement shall be assumed not to
reflect the impact of applicable taxes.

26

 



SERVICE AGREEMENT NO. 2666

Article 12 Miscellaneous

12.1 Governing Law, Regulatory Authority, and Rules

 The validity, interpretation and enforcement of this Agreement and each of its provisions
shall be governed by the laws of the state of New York, without regard to its conflicts of law
principles. This Agreement is subject to all Applicable Laws and Regulations. Each Party
expressly reserves the right to seek changes in, appeal, or otherwise contest any laws, orders, or
regulations of a Governmental Authority.

12.2 Amendment

 The Parties may amend this Agreement by a written instrument duly executed by the
Parties, or under article 12.12 of this Agreement.

12.3 No Third-Party Beneficiaries

 This Agreement is not intended to and does not create rights, remedies, or benefits of any
character whatsoever in favor of any persons, corporations, associations, or entities other than the
Parties, and the obligations herein assumed are solely for the use and benefit of the Parties, their
successors in interest and where permitted, their assigns. Notwithstanding the foregoing, any
subcontractor of the Connecting Transmission Owner or NYISO assisting either of those Parties
with the Interconnection Request covered by this Agreement shall be entitled to the benefits of
indemnification provided for under Article 7.3 of this Agreement and the limitation of liability
provided for in Article 7.2 of this Agreement.

12.4 Waiver

12.4.1 The failure of a Party to this Agreement to insist, on any occasion, upon strict
performance of any provision of this Agreement will not be considered a waiver
of any obligation, right, or duty of, or imposed upon, such Party.

12.4.2 Any waiver at any time by a Party of its rights with respect to this Agreement
shall not be deemed a continuing waiver or a waiver with respect to any other
failure to comply with any other obligation, right, duty of this Agreement.
Termination or default of this Agreement for any reason by Interconnection
Customer shall not constitute a waiver of the Interconnection Customer’s legal
rights to obtain an interconnection from the NYISO. Any waiver of this
Agreement shall, if requested, be provided in writing.

12.5 Entire Agreement

 This Agreement, including all Attachments, constitutes the entire agreement between the
Parties with reference to the subject matter hereof, and supersedes all prior and contemporaneous
understandings or agreements, oral or written, between the Parties with respect to the subject
matter of this Agreement. There are no other agreements, representations, warranties, or
covenants which constitute any part of the consideration for, or any condition to, any Party’s
compliance with its obligations under this Agreement.

27

 



SERVICE AGREEMENT NO. 2666

12.6 Multiple Counterparts

 This Agreement may be executed in two or more counterparts, each of which is deemed
an original but all constitute one and the same instrument.

12.7 No Partnership

 This Agreement shall not be interpreted or construed to create an association, joint
venture, agency relationship, or partnership between the Parties or to impose any partnership
obligation or partnership liability upon any Party. No Party shall have any right, power or
authority to enter into any agreement or undertaking for, or act on behalf of, or to act as or be an
agent or representative of, or to otherwise bind, another Party.

12.8 Severability

 If any provision or portion of this Agreement shall for any reason be held or adjudged to
be invalid or illegal or unenforceable by any court of competent jurisdiction or other
Governmental Authority, (1) such portion or provision shall be deemed separate and
independent, (2) the Parties shall negotiate in good faith to restore insofar as practicable the
benefits to each Party that were affected by such ruling, and (3) the remainder of this Agreement
shall remain in full force and effect.

12.9 Security Arrangements

 Infrastructure security of electric system equipment and operations and control hardware
and software is essential to ensure day-to-day reliability and operational security. FERC expects
the NYISO, the Connecting Transmission Owner, Market Participants, and Interconnection
Customers interconnected to electric systems to comply with the recommendations offered by
the President’s Critical Infrastructure Protection Board and, eventually, best practice
recommendations from the electric reliability authority. All public utilities are expected to meet
basic standards for system infrastructure and operational security, including physical,
operational, and cyber-security practices.

12.10 Environmental Releases

 Each Party shall notify the other Parties, first orally and then in writing, of the release of
any hazardous substances, any asbestos or lead abatement activities, or any type of remediation
activities related to the Small Generating Facility or the Interconnection Facilities, each of which
may reasonably be expected to affect the other Parties. The notifying Party shall: (1) provide the
notice as soon as practicable, provided such Party makes a good faith effort to provide the notice
no later than 24 hours after such Party becomes aware of the occurrence, and (2) promptly
furnish to the other Parties copies of any publicly available reports filed with any governmental
authorities addressing such events.

12.11 Subcontractors

Nothing in this Agreement shall prevent a Party from utilizing the services of any subcontractor as it deems appropriate to perform its obligations under this Agreement; provided,

28

 



SERVICE AGREEMENT NO. 2666

however, that each Party shall require its subcontractors to comply with all applicable terms and
conditions of this Agreement in providing such services and each Party shall remain primarily
liable to the other Parties for the performance of such subcontractor.

12.11.1 The creation of any subcontract relationship shall not relieve the hiring
Party of any of its obligations under this Agreement. The hiring Party
shall be fully responsible to the other Parties to the extent provided for in
Articles 7.2 and 7.3 above for the acts or omissions of any subcontractor
the hiring Party hires as if no subcontract had been made; provided,
however, that in no event shall the NYISO or Connecting Transmission
Owner be liable for the actions or inactions of the Interconnection
Customer or its subcontractors with respect to obligations of the
Interconnection Customer under this Agreement. Any applicable
obligation imposed by this Agreement upon the hiring Party shall be
equally binding upon, and shall be construed as having application to, any
subcontractor of such Party.

12.11.2 The obligations under this article will not be limited in any way by any

limitation of subcontractor’s insurance.

12.12 Reservation of Rights

 Nothing in this Agreement shall alter the right of the NYISO or Connecting Transmission
Owner to make unilateral filings with FERC to modify this Agreement with respect to any rates,
terms and conditions, charges, classifications of service, rule or regulation under Section 205 or
any other applicable provision of the Federal Power Act and FERC’s rules and regulations
thereunder which rights are expressly reserved herein, and the existing rights of the Interconnection Customer to make a unilateral filing with FERC to modify this Agreement under
any applicable provision of the Federal Power Act and FERC’s rules and regulations are also
expressly reserved herein; provided that each Party shall have the right to protest any such filing
by another Party and to participate fully in any proceeding before FERC in which such
modifications may be considered. Nothing in this Agreement shall limit the rights of the Parties
or of FERC under Sections 205 or 206 of the Federal Power Act and FERC’s rules and
regulations, except to the extent that the Parties otherwise agree as provided herein.

29

 



SERVICE AGREEMENT NO. 2666

Article 13 Notices

13.1 General

 Unless otherwise provided in this Agreement, any written notice, demand, or request
required or authorized in connection with this Agreement shall be deemed properly given if
delivered in person, delivered by recognized national courier service, or sent by first class mail,
postage prepaid, to the person specified below:

If to the Interconnection Customer:

ELP Ticonderoga Solar LLC
c/o VC Renewables LLC Attention: Legal

Address: 110 Edison Place, Suite 312
City: Newark State: NJ Zip: 07102

With copy to:

VC Renewables LLC

2925 Richmond Ave, Suite 1100
Houston, TX 77098 Attn : General Counsel

Email : legalhouston@vitol.com

If to the Connecting Transmission Owner:

Niagara Mohawk Power Corporation d/b/a National Grid
Attention: Director, Customer Energy Intregation & Commercial Services NY
Address: 2 Hanson Place, 12th Floor

City: Brooklyn State: NY Zip: 11217
Phone: (781) 906-4030

If to the NYISO:

Before Commercial Operation of the Small Generating Facility

New York Independent System Operator, Inc.
Attention: Vice President, System and Resource Planning
Address: 10 Krey Boulevard

City: Rensselaer State: NY Zip: 12144
Phone: (518) 356-6000

After Commercial Operation:

New York Independent System Operator, Inc.

30

 



SERVICE AGREEMENT NO. 2666

Attention: Vice President, Operations
Address: 10 Krey Boulevard

City: Rensselaer State: NY Zip: 12144
Phone: (518) 356-6000

13.2 Billing and Payment

Billings and payments shall be sent to the addresses set out below:

Interconnection Customer:

ELP Ticonderoga Solar LLC
c/o VC Renewables LLC Attention: Legal

Address: 110 Edison Place, Suite 312
City: Newark State: NJ Zip: 07102

Connecting Transmission Owner:

Niagara Mohawk Power Corporation d/b/a National Grid
Attention: Director, Customer Energy Intregation & Commercial ServicesNY
Address: 2 Hanson Place, 12th Floor

City: Brooklyn State: NY Zip: 11217

13.3 Alternative Forms of Notice

 Any notice or request required or permitted to be given by either Party to the other and
not required by this Agreement to be given in writing may be so given by telephone or e-mail to
the telephone numbers and e-mail addresses set out below:

If to the Interconnection Customer:

ELP Ticonderoga Solar LLC
c/o VC Renewables Attention: Legal

Address: 110 Edison Place, Suite 312
City: Newark State: NJ Zip: 07102
E-mail: legalhouston@vitol.com

If to the Connecting Transmission Owner:

Niagara Mohawk Power Corporation d/b/a National Grid
Attention: Director, Customer Energy Integration & Commercial ServicesNY
Address: 2 Hanson Place, 12th Floor

City: Brooklyn State: NY Zip: 11217
Phone: (781) 906-4030

E-mail: Vishal.Ahirrao@nationalgrid.com

31

 



SERVICE AGREEMENT NO. 2666

If to the NYISO:

New York Independent System Operator, Inc.
Attention: Vice President, Operations
Address: 10 Krey Boulevard

City: Rensselaer State: NY Zip: 12144
Phone: (518) 356-6000

E-mail: interconnectionsupport@nyiso.com

13.4 Designated Operating Representative

 The Parties may also designate operating representatives to conduct the communications
which may be necessary or convenient for the administration of this Agreement. This person
will also serve as the point of contact with respect to operations and maintenance of the Party’s
facilities.

Interconnection Customer’s Operating Representative:

ELP Ticonderoga Solar LLC
Attention: David Velasco

Address: 110 Edison Place, Suite 312
City: Newark State: NJ Zip: 07102
Phone: (201) 275-4863

E-mail: dve@vcrenewables.com

Connecting Transmission Owner’s Operating Representative:

Niagara Mohawk Power Corporation d/b/a National Grid
Attention: Director, Commercial Services
Address: 2 Hanson Place, 12th Floor

City: Brooklyn State: NY Zip: 11217
Phone: (781) 906-4030

E-mail: Vishal.Ahirrao@nationalgrid.com

NYISO’s Operating Representative:

New York Independent System Operator, Inc.
Attention: Vice President, Operations
Address: 10 Krey Boulevard

City: Rensselaer State: NY Zip: 12144
Phone: (518) 356-6000

E-mail: interconnectionsupport@nyiso.com

32

 



SERVICE AGREEMENT NO. 2666

13.5 Changes to the Notice Information

 Either Party may change this information by giving five Business Days written notice
prior to the effective date of the change.

33

 



SERVICE AGREEMENT NO. 2666

Article 14 Signatures

IN WITNESS WHEREOF, the Parties have caused this Agreement to be executed by their
respective duly authorized representatives.

For the New York Independent System Operator, Inc.

By:

Name: _________________________

Title:

Date: __________________________

For Niagara Mohawk Power Corporation d/b/a National Grid

By:

Name:

Title: __________________________

Date: __________________________

For ELP Ticonderoga Solar LLC

By:

Name: __________________________

Title: ___________________________

Date: ___________________________

34

 



SERVICE AGREEMENT NO. 2666

Attachment 1

Glossary of Terms

Affected System An electric system other than the transmission system owned, controlled or
operated by the Connecting Transmission Owner that may be affected by the proposed
interconnection.

Affected System Operator Affected System Operator shall mean the operator of any Affected System.

Affected Transmission Owner –The New York public utility or authority (or its designated
agent) other than the Connecting Transmission Owner that: (i) owns facilities used for the
transmission of Energy in interstate commerce and provides Transmission Service under the
Tariff, and (ii) owns, leases or otherwise possesses an interest in a portion of the New York State
Transmission System where System Deliverability Upgrades or System Upgrade Facilities are
installed pursuant to Attachment Z and Attachment S to the ISO OATT.

Applicable Laws and Regulations All duly promulgated applicable federal, state and local
laws, regulations, rules, ordinances, codes, decrees, judgments, directives, or judicial or
administrative orders, permits and other duly authorized actions of any Governmental Authority,
including but not limited to Environmental Law.

Applicable Reliability Standards The criteria, requirements and guidelines of the North
American Electric Reliability Council, the Northeast Power Coordinating Council, the New York
State Reliability Council and related and successor organizations, or the Transmission District to
which the Interconnection Customer’s Small Generating Facility is directly interconnected, as
those criteria, requirements and guidelines are amended and modified and in effect from time to
time; provided that no Party shall waive its right to challenge the applicability of or validity of
any criterion, requirement or guideline as applied to it in the context of Attachment Z to the ISO
OATT and this Agreement. For the purposes of this Agreement, this definition of Applicable
Reliability Standards shall supersede the definition of Applicable Reliability Standards set out in
Attachment X to the ISO OATT.

Base Case The base case power flow, short circuit, and stability data bases used for the
Interconnection Studies by NYISO, Connecting Transmission Owner or Interconnection
Customer; described in Section 32.2.3 of the Large Facility Interconnection Procedures.

Breach - The failure of a Party to perform or observe any material term or condition of this Agreement.

Business Day Monday through Friday, excluding federal holidays.

Capacity Resource Interconnection Service The service provided by NYISO to
Interconnection Customers that satisfy the NYISO Deliverability Interconnection Standard or
that are otherwise eligible to receive CRIS in accordance with Attachment S to the ISO OATT;

1-1

 



SERVICE AGREEMENT NO. 2666

such service being one of the eligibility requirements for participation as a NYISO Installed
Capacity Supplier.

Commercial Operation shall mean the status of the Small Generating Facility that has
commenced generating electricity for sale, excluding electricity generated during Trial
Operation, notice of which must be provided to the NYISO in the form of Attachment 9 to this
Agreement.

Commercial Operation Date of a unit shall mean the date on which the Large Generating
Facility commences Commercial Operation as agreed to by the Parties, notice of which must be
provided to the NYISO in the form of Attachment 9 to this Agreement.

Connecting Transmission Owner The New York public utility or authority (or its designated
agent) that: (i) owns facilities used for the transmission of Energy in interstate commerce and
provides Transmission Service under the Tariff, (ii) owns, leases or otherwise possesses an
interest in the portion of the New York State Transmission System or Distribution System at the
Point of Interconnection, and (iii) is a Party to the Standard Small Generator Interconnection
Agreement.

Default – The failure of a Party in Breach of this Agreement to cure such Breach under the Small Generator Interconnection Agreement.

Distribution System The Transmission Owner’s facilities and equipment used to distribute
electricity that are subject to FERC jurisdiction, and are subject to the NYISO’s Large Facility
Interconnection Procedures in Attachment X to the ISO OATT or Small Generator
Interconnection Procedures in Attachment Z to the ISO OATT under FERC Order Nos. 2003
and/or 2006. For the purpose of this Agreement, the term Distribution System shall not include
LIPA’s distribution facilities.

Distribution Upgrades – The additions, modifications, and upgrades to the Connecting
Transmission Owner’s Distribution System at or beyond the Point of Interconnection to facilitate
interconnection of the Small Generating Facility and render the transmission service necessary to
effect the Interconnection Customer’s wholesale sale of electricity in interstate commerce.
Distribution Upgrades do not include Interconnection Facilities or System Upgrade Facilities or
System Deliverability Upgrades.

Energy Resource Interconnection Service The service provided by NYISO to interconnect
the Interconnection Customer’s Small Generating Facility to the New York State Transmission
System or Distribution System in accordance with the NYISO Minimum Interconnection
Standard, to enable the New York State Transmission System to receive Energy and Ancillary
Services from the Small Generating Facility, pursuant to the terms of the ISO OATT.

Force Majeure – Any act of God, labor disturbance, act of the public enemy, war, insurrection,
riot, fire, storm or flood, explosion, breakage or accident to machinery or equipment, any order,
regulation or restriction imposed by governmental, military or lawfully established civilian
authorities, or any other cause beyond a Party’s control. A Force Majeure event does not include
an act of negligence or intentional wrongdoing. For the purposes of this Agreement, this

1-2

 



SERVICE AGREEMENT NO. 2666

definition of Force Majeure shall supersede the definitions of Force Majeure set out in Section

32.2.11 of the NYISO Open Access Transmission Tariff.

Good Utility Practice Any of the practices, methods and acts engaged in or approved by a
significant portion of the electric industry during the relevant time period, or any of the practices,
methods and acts which, in the exercise of reasonable judgment in light of the facts known at the
time the decision was made, could have been expected to accomplish the desired result at a
reasonable cost consistent with good business practices, reliability, safety and expedition. Good
Utility Practice is not intended to be limited to the optimum practice, method, or act to the
exclusion of all others, but rather to be acceptable practices, methods, or acts generally accepted
in the region.

Governmental Authority Any federal, state, local or other governmental regulatory or
administrative agency, court, commission, department, board, or other governmental subdivision,
legislature, rulemaking board, tribunal, or other governmental authority having jurisdiction over
the Parties, their respective facilities, or the respective services they provide, and exercising or
entitled to exercise any administrative, executive, police, or taxing authority or power; provided,
however, that such term does not include the Interconnection Customer, NYISO, Affected
Transmission Owner, Connecting Transmission Owner or any Affiliate thereof.

Initial Synchronization Date shall mean the date upon which the Small Generating Facility is
initially synchronized and upon which Trial Operation begins, notice of which must be provided
to the NYISO in the form of Attachment 9.

In-Service Date shall mean the date upon which the Developer reasonably expects it will be
ready to begin use of the Connecting Transmission Owner’s Interconnection Facilities to obtain
back feed power.

Interconnection Customer Any entity, including the Transmission Owner or any of the
affiliates or subsidiaries, that proposes to interconnect its Small Generating Facility with the New
York State Transmission System or the Distribution System.

Interconnection Facilities The Connecting Transmission Owner’s Interconnection Facilities
and the Interconnection Customer’s Interconnection Facilities. Collectively, Interconnection
Facilities include all facilities and equipment between the Small Generating Facility and the
Point of Interconnection, including any modification, additions or upgrades that are necessary to
physically and electrically interconnect the Small Generating Facility to the New York State
Transmission System or the Distribution System. Interconnection Facilities are sole use facilities
and shall not include Distribution Upgrades or System Upgrade Facilities.

Interconnection Request The Interconnection Customer’s request, in accordance with the
Tariff, to interconnect a new Small Generating Facility, or to materially increase the capacity of,
or make a material modification to the operating characteristics of, an existing Small Generating
Facility that is interconnected with the New York State Transmission System or the Distribution
System. For the purposes of this Agreement, this definition of Interconnection Request shall
supersede the definition of Interconnection Request set out in Attachment X to the ISO OATT.

1-3

 



SERVICE AGREEMENT NO. 2666

Interconnection Study Any study required to be performed under Sections 32.2 or 32.3 of the SGIP.

Material Modification A modification that has a material impact on the cost or timing of any Interconnection Request with a later queue priority date.

New York State Transmission System The entire New York State electric transmission
system, which includes: (i) the Transmission Facilities under ISO Operational Control; (ii) the
Transmission Facilities Requiring ISO Notification; and (iii) all remaining transmission facilities
within the New York Control Area.

NYISO Deliverability Interconnection Standard The standard that must be met, unless
otherwise provided for by Attachment S to the ISO OATT, by (i) any generation facility larger
than 2MW in order for that facility to obtain CRIS; (ii) any Class Year Transmission Project
proposing to interconnect to the New York State Transmission System and receive Unforced
Capacity Delivery Rights; (iii) any entity requesting External CRIS Rights, and (iv) any entity
requesting a CRIS transfer pursuant to Section 25.9.5 of Attachment S to the ISO OATT. To
meet the NYISO Deliverability Interconnection Standard, the Interconnection Customer must, in
accordance with the rules in Attachment S to the ISO OATT, fund or commit to fund any System
Deliverability Upgrades identified for its project in the Class Year Deliverability Study.

NYISO Minimum Interconnection Standard The reliability standard that must be met by
any generation facility or Class Year Transmission Project that is subject to NYISO’s Large
Facility Interconnection Procedures in Attachment X to the ISO OATT or the NYISO’s Small
Generator Interconnection Procedures in this Attachment Z, that is proposing to connect to the
New York State Transmission System or Distribution System, to obtain ERIS. The Minimum
Interconnection Standard is designed to ensure reliable access by the proposed project to the
New York State Transmission System or to the Distribution System. The Minimum
Interconnection Standard does not impose any deliverability test or deliverability requirement on
the proposed interconnection.

Operating Requirements Any operating and technical requirements that may be applicable
due to Regional Transmission Organization, Independent System Operator, control area, or the
Connecting Transmission Owner’s requirements, including those set forth in the Small Generator
Interconnection Agreement. Operating Requirements shall include Applicable Reliability
Standards.

Party or Parties The NYISO, Connecting Transmission Owner, Interconnection Customer or any combination of the above.

Point of Interconnection The point where the Interconnection Facilities connect with the New York State Transmission System or the Distribution System.

Reasonable Efforts With respect to an action required to be attempted or taken by a Party
under this Agreement, efforts that are timely and consistent with Good Utility Practice and are
otherwise substantially equivalent to those a Party would use to protect its own interests.

1-4

 



SERVICE AGREEMENT NO. 2666

Small Generating Facility The Interconnection Customer’s facility, no larger than 20 MW for
the production and/or storage for later injection of electricity identified in the Interconnection
Request if proposing to interconnect to the New York State Transmission System or Distribution
System, but shall not include (i) facilities proposing to simply receive power from the New York
State Transmission System or the Distribution System; (ii) facilities proposing to interconnect to
the New York State Transmission System or the Distribution System made solely for the purpose
of generation with no wholesale sale for resale nor to net metering; (iii) facilities proposing to the
New York State Transmission System or the Distribution System made solely for the purpose of
net metering; (iv) facilities proposing to interconnect to LIPA’s distribution facilities; and (v) the
Interconnection Customer’s Interconnection Facilities. A facility will be treated as a single
Small Generating Facility if all units within the facility are behind a single facility meter, even if
such units are different technology types.

System Deliverability Upgrades The least costly configuration of commercially available
components of electrical equipment that can be used, consistent with Good Utility Practice and
Applicable Reliability Requirements, to make the modifications or additions to the existing New
York State Transmission System that are required for the proposed project to connect reliably to
the system in a manner that meets the NYISO Deliverability Interconnection Standard for
Capacity Resource Interconnection Service.

System Upgrade Facilities The least costly configuration of commercially available
components of electrical equipment that can be used, consistent with Good Utility Practice and
Applicable Reliability Requirements to make the modifications to the existing transmission
system that are required to maintain system reliability due to: (i) changes in the system,
including such changes as load growth and changes in load pattern, to be addressed in the form
of generic generation or transmission projects; and (ii) proposed interconnections. In the case of
proposed interconnection projects, System Upgrade Facilities are the modification or additions to
the existing New York State Transmission System that are required for the proposed project to
connect reliably to the system in a manner that meets the NYISO Minimum Interconnection
Standard.

Tariff The NYISO’s Open Access Transmission Tariff, as filed with the FERC, and as amended or supplemented from time to time, or any successor tariff.

Trial Operation shall mean the period during which Interconnection Customer is engaged in on-
site test operations and commissioning of the Small Generating Facility prior to Commercial
Operation.

Upgrades – The required additions and modifications to the Connecting Transmission Owner’s
portion of the New York State Transmission System or the Distribution System at or beyond the
Point of Interconnection. Upgrades may be System Upgrade Facilities or System Deliverability
Upgrades Distribution Upgrades. Upgrades do not include Interconnection Facilities.

1-5

 



SERVICE AGREEMENT NO. 2666

Attachment 2

Detailed Scope of Work, Including Description and Costs of the Small Generating Facility,
Interconnection Facilities, and Metering Equipment

 Equipment, including the Small Generating Facility, Interconnection Facilities, and
metering equipment shall be itemized and identified as being owned by the Interconnection
Customer, or the Connecting Transmission Owner. The NYISO, in consultation with the
Connecting Transmission Owner, will provide a best estimate itemized cost, including
overheads, of its Interconnection Facilities and metering equipment, and a best estimate itemized
cost of the annual operation and maintenance expenses associated with its Interconnection
Facilities and metering equipment.

A. PROJECT DESCRIPTION

 The Interconnection Customer is constructing a 20 MW solar generating facility (the
“Small Generating Facility”) in the town of Ticonderoga, New York. The Small Generating
Facility will consist of five (5) SMA SC 4600 UP solar inverters (nameplate rating of 4.6MVA)
close coupled with dedicated 690V/34.5kV 4.6MVA step-up transformers, respectively. The
inverters will be daisy chained together using 34.5 kV direct buried solid dielectric cable
(“Collection Feeder Line”). The home run of the feeder will tie to the Interconnection
Customer’s Collector Station (“Ticonderoga Solar Collector Station”) where it is stepped up to
115kV via a 25MVA 34.5/115kV transformer.

 The Point of Interconnection (“POI”) for the Small Generating Facility is Connecting
Transmission Owner’s 115kV Ticonderoga-Republic Line 2. The POI will be between
structures 24 and 25 on Line 2, approximately 2.68 miles from the Connecting Transmission
Owner’s Ticonderoga Substation. The interconnection to the New York State Transmission
System will be via a tap.

 The Point of Change of Ownership (“PCO”) shall be at the line side connection of the
Interconnection Customer’s disconnect switch located on the Interconnection Customer’s
termination structure inside the Ticonderoga Solar Collector Station. The Connecting
Transmission Owner shall own the insulators, whips and hardware connections to the
Interconnection Customer’s disconnect switch. The POI and PCO are detailed in Figure 1 in
Attachment 3.

B. INTERCONNECTION CUSTOMER’S INTERCONNECTION FACILITIES

 The Interconnection Customer’s Interconnection Facilities (“ICIF”) include all of the
facilities between the Interconnection Customer’s side of the PCO and the Small Generating
Facility, except the Connecting Transmission Owner-owned revenue metering and remote
terminal unit (“RTU”) described in Section C below. The ICIF will be located on property
owned or leased by the Interconnection Customer. As depicted on the one-line diagram in
Attachment 3, the ICIF consist of the following:

2-1

 



SERVICE AGREEMENT NO. 2666

1. Ticonderoga Solar Collector Substation

one (1) three phase, three winding, 115/34.5kV grounded wye/grounded wye/delta
tertiary, step-up transformer rated 15/20/25 MVA (ONAN/ONAF/ONAF), with
impedance of 9.0%;

six (6) 76kV maximum continuous operating voltage (“MCOV”) station class surge

arresters;

one (1) 115kV, 1200A, 550kV basic insulation level (“BIL”) group operated air break

switch;

one (1) 115kV, 1200A, 550kV BIL, 40 kAIC SF-6 circuit breaker; six (6) 24.4kV MCOV station class surge arresters;

one (1) 38 kV, 1200A, 150kV BIL group operated air break switch;
one (1) 38kV, 1200A, 150kV BIL, 25kAIC vacuum circuit breaker;
three (3) 38kV, 1200A, 150kV BIL hook stick operated disconnect switches;
three (3) 115kV, capacitive voltage transformers (CVT) 600/1000:1;
three (3) 38kV, potential transformers (“PTs”) 300:1;

one (1) 25kVA 19.9kV – 120/240v station service transformer.

2. System Protection

a) Ticonderoga-Republic Tap (Line 2)

 Line 2 shall be protected using step distance schemes for the A and B packages. Direct
transfer trip (DTT) will be used between the Ticonderoga Solar Collector Station and the
Ticonderoga Substation to ensure removal of the generation. This will require the installation of
GARD8000 tele protection set at the Ticonderoga Solar Collector Station. The Connecting
Transmission Owner will provide details on the GARD 8000 model number with the Connecting
Transmission Owner’s logic during detailed design.

 The Interconnection Customer is to provide redundant 115kV line protection to remove
the generation for line faults. Two sets of multi-ratio current transformers (“CTs”) shall be
provided on the Interconnection Customer’s 115kV breaker for use in the protection schemes.

b) Transformer

 The 115–34.5kV transformer shall be protected by two independent protection systems.
Transformer relay protection shall operate through a lockout (86) relay. Each transformer
protective relay shall operate its own dedicated lockout relay.

c) Breaker

 Breaker failure protection shall be provided for the 115kV breaker. This protection must
trip the appropriate adjacent breakers and send direct transfer trip to Connecting Transmission
Owner’s Ticonderoga Substation. For loss of SF6, the breaker must trip and block close. (Note:
When the Small Generating Facility’s interrupter fails to interrupt for internal station faults and

2-2

 



SERVICE AGREEMENT NO. 2666

loss of SF6 condition, the Interconnection Customer is not to rely on the Connecting Transmission Owner’s 115kV system for remote backup.)

 DTT receive from the Ticonderoga Substation will be required to trip the Interconnection
Customer’s 115kV breaker (R2). The Interconnection Customer shall provide on/off switches
for the DTT schemes.

3. Telecommunications Circuit

 A new Telco fiber facility will be required at the Ticonderoga Solar Collector Station for
protection systems and data transmittal. The new fiber facility shall provide:

One (1) DS1 circuit from the Ticonderoga Solar Collector Station to Ticonderoga

Substation; and

One (1) T1 MPLS for energy management system-remote terminal unit (“EMS-RTU”).

 The Interconnection Customer is responsible for ordering the fiber facility required at the
Ticonderoga Solar Collector Station and provisioning the T1 MPLS and POTS circuits. The
Connecting Transmission Owner will provision the Verizon DS1 circuit from the Ticonderoga
Solar Collector Station to Ticonderoga Substation.

 (Note: Verizon may retire T1 services in the future. If T1 circuits are not available at the
time of project implementation, alternative technologies will be required which could change the
overall cost of the telecom solution.)

C. CONNECTING TRANSMISSION OWNER’S INTERCONNECTION

FACILITIES

 As depicted on the one-line diagram in Attachment 3, the Connecting Transmission
Owner’s Interconnection Facilities (“CTOIF”) consist of the following constructed or installed
between the POI and PCO, as well as the revenue metering and RTU located at the Ticonderoga
Solar Collector Substation.

1. Revenue Metering

The Connecting Transmission Owner owned revenue metering shall be located at the Ticonderoga Solar Collector Station on the generator side of the 115kV breaker and shall consist
of:

three (3) combination current/voltage transformer (CT/VT) units (manufacturer and
model shall be ABB/Kuhlman KXM-550, GE Grid Solutions KOTEF 123.ER, or other
Connecting Transmission Owner specified equivalent);

one (1) meter socket; and one (1) revenue meter.

2-3

 



SERVICE AGREEMENT NO. 2666

The ratios of the CTs and VTs will be provided upon review of the Interconnection Customer’s
design documents according to Connecting Transmission Owner’s Electric System Bulletin
(“ESB”) 752.

The Connecting Transmission Owner’s revenue metering CTs and VTs cannot be used to feed the Interconnection Customer’s check meter.

The metering of any redundant or standby station service provisions at the Ticonderoga Solar
Collector Station shall be added in accordance with the Connecting Transmission Owner’s retail
tariff, PSC No. 220 and the Connecting Transmission Owner’s ESB 750.

2. EMS-RTU

 The Connecting Transmission Owner will procure and provide the RTU to the
Interconnection Customer for installation on the mounting panel. The RTU cabinet is typically
42" H x 30" W x 12" D and shall be wall-mounted with the bottom edge 36" above the floor with
a 5-foot clear working space in front of the mounting panel.

3. Line 2 Tap

 The Ticonderoga Solar Collector Station is to be located approximately 100 feet west of
the Ticonderoga-Republic Line 2 and will be oriented perpendicular to the transmission lines.
The Small Generating Facility will interconnect to the line between structures 24 and 25 via a
radial tap. Based on the location of the Ticonderoga Solar Collector Station, the radial tap will
require installation of:

one (1) 3-pole steel deadend tapping structure with caisson foundation; two (2) horizontal switch structures with caisson foundations;

two (2) horizontal load break disconnect switches each with three (3) inline disconnects;
approximately 150 circuit feet of 795 ACSR 26/7 “DRAKE” conductor; and
approximately 150 linear feet of 7/16” EHS steel shield wire.

 Line Tap 2 scope and estimates are subject to change during final engineering given the
Interconnection Customer’s decision to slightly change the location of the Ticonderoga Solar
Collector Station after issuance of the Facilities Study to a location further north and on the
opposite side of the adjacent transmission corridor.

D. SCOPE OF WORK AND RESPONSIBILITIES

1. Interconnection Customer’s Scope of Work and Responsibilities

 The Interconnection Customer shall design, procure, construct, install, own, operate, and
maintain the Interconnection Customer’s Interconnection Facilities in accordance with the
following requirements, to the extent not inconsistent with the terms of this Agreement, the ISO
OATT, or applicable NYISO procedures: the NYISO’s requirements; industry standards and
specifications; regulatory requirements; the Connecting Transmission Owner’s applicable

2-4

 



SERVICE AGREEMENT NO. 2666

Electric System Bulletins (“ESBs”), provided at the following website:

https://www.nationalgridus.com/ProNet/Technical-Resources/Electric-Specifications; the
Connecting Transmission Owner’s System Protection and Interconnection Customer Attachment
Facilities Electric Installation Specification for the Ticonderoga Solar Project (“Project Specific
Specifications”) provided as Appendix C to the Facilities Study for the Small Generating
Facility; and Good Utility Practice. The Interconnection Customer shall submit all engineering
design and electrical specifications associated with Interconnection Customer’s Interconnection
Facilities to the Connecting Transmission Owner for its review and acceptance in accordance
with the ESBs and Project Specific Specifications.

 The Interconnection Customer shall install a meter panel in accordance with the Project
Specific Specifications and ESB756A.

 As per ESB 756A and the Project Specific Specifications, the Interconnection Customer
shall mount the RTU cabinet indoors and within 15 feet of the meter(s), and remote from:

heavy traffic areas, work areas, and loading areas;
heat producing or high electrostatic or electromagnetic field producing equipment; and
station batteries.

 New right-of-way (“ROW”) will be required for the construction, operation, and
maintenance of the tap line and must accommodate the 125’ x 125’ work pads required for the
installation of the new structures. The Interconnection Customer is responsible for obtaining the
property/easements needed for the tap line, access roads to/from the tap, and work pads, in
accordance with the standards set forth in the Standards and Requirements Relating to Third
Party Acquisition and Transfer of Real Property Interests to Niagara Mohawk Power
Corporation for Electric Facilities and Survey Specifications, dated January 2019. The
Interconnection Customer is also responsible for all permitting.

 The Project Specific Specifications may require modification, after receipt and review of
the Interconnection Customer’s final design and equipment specifications for the Facility,
subsequent to: (i) execution of the Agreement, (ii) receipt of the notice to proceed under the
terms of the Agreement, and (iii) posting of security in accordance with the terms of the
Agreement; provided however, that the Project Specific Specifications shall not be modified due
to changes in the Connecting Transmission Owner’s ESBs that occur after completion of the
Facility Study, except as required to comply with all Applicable Laws and Regulations and the
requirements and guidelines of the Applicable Reliability Council

 Upon termination of the Agreement, Interconnection Customer shall be responsible for
all costs associated with the decommissioning and removal of the Connecting Transmission
Owner’s Interconnection Facilities.

2. Connecting Transmission Owner’s Scope of Work and Responsibilities

 Connecting Transmission Owner will provide the CT/VT units, and the Interconnection
Customer shall mount them, make grounding connections, and complete all primary wiring in

2-5

 



SERVICE AGREEMENT NO. 2666

accordance with the Project Specific Specifications and ESB756A. In addition, the Connecting
Transmission Owner shall provide the meter socket enclosure for the Interconnection Customer
to install near the Connecting Transmission Owner’s RTU.

The Connecting Transmission Owner shall:

provide, run, and wire both ends of the color-coded cable for the revenue metering

instrument transformer secondary wiring; perform all terminations; and supply and install the meter.

 The Connecting Transmission Owner will complete all wiring, testing and
commissioning of the RTU.

The Connecting Transmission Owner will engineer, design, construct and own the Line 2 Tap.

E. ESTIMATED COSTS OF INTERCONNECTION FACILITIES

1. Facilities Study Cost Estimate

 The total estimated costs (+30%/-15%) of the work associated with the Interconnection
Facilities required for the interconnection of the Small Generating Facility are presented in the
table below.

2-6

 



SERVICE AGREEMENT NO. 2666

 As described in the Facilities Study for the Small Generating Facility, the estimates
provided herein:

Assume:

5X10 construction work week; outages are available;

all major material is delivered to site (i.e., no costs are included for transport from

storage);

existing equipment to remain is functional.

Exclude (as applicable):

discussions and negotiations of issued interconnection study; application fees;

applicable surcharges;

overall project sales tax; property taxes; line switching;

property/easement acquisitions;

access roads and associated matting;

future operation and maintenance costs;

recurring monthly communications circuits’ charges, if any, responsible by the
Interconnection Customer to the communications utility;
soil testing;

adverse field conditions such as water, weather, and Interconnection Customer electrical

equipment obstructions;

environmental mitigation;

extended engineering to minimize outage time or Connecting Transmission Owner’s

public duty to serve;

extended craft labor hours, to minimize outage and/or construction time;
property transactions reviews associated with Interconnection Customer’s requests to
occupy the Connecting Transmission Owner’s rights-of-way and/or fee owned property;
any required permits; or

changes in cost resulting from the Interconnection Customer’s decision after the issuance

of the Facilities Study to change the location of the Ticonderoga Solar Collector Station.

 Cost adders estimated for overtime will be based on 1.5 and 2 times labor rates if
required for work beyond normal business hours. Meals and equipment are also extra costs
incurred for overtime labor.

2. Cost Estimate Update

2-7

 



SERVICE AGREEMENT NO. 2666

 Interconnection Customer requested an extension of its Commercial Operation Date
(“COD”) for the Small Generating Facility to December 2026 pursuant to the modification rules
in Section 40.6.3.5 of Attachment HH to the NYISO OATT. The NYISO determined, in
consultation with the Connecting Transmission Owner, that a Cost Estimate Update is required
in order for the requested extension of the Commercial Operation Date not to be a material
modification. Connecting Transmission Owner performed the Cost Estimate Update, and
Interconnection Customer accepted the revised cost estimates included above. The revised cost
estimates update the cost estimate amount for the Small Generating Facility determined in the
Facilities Study. Interconnection Customer and Connecting Transmission Owner amended and
restated the guaranty to include the additional security associated with the revised cost estimate
amount.

F. O&M EXPENSES FOR INTERCONNECTION FACILITIES

 In accordance with Article 4 of this Agreement, the Interconnection Customer shall be
responsible for all reasonable expenses associated with the operation, maintenance, repair and
replacement of the Connecting Transmission Owner’s Interconnection Facilities, as such facilities
are detailed in this Attachment 2 (“O&M Expenses”).

 The Interconnection Customer shall have the option to pay such O&M Expenses either
under the procedure described in Option 1 or in Option 2 below.

Option 1: Fixed On-Going Charge Payment:

The Connecting Transmission Owner will invoice and Interconnection Customer
shall pay an annual payment to the Connecting Transmission Owner equal to the
product of the Gross Plant Investment associated with the Connecting Transmission
Owner’s Interconnection Facilities and the Annual Transmission Ongoing Charge
Factor (as defined below), for the term of this Interconnection Agreement.

For purposes of his Agreement, Gross Plant Investment shall mean the investment
from the plant account records associated with the Connecting Transmission
Owner’s Interconnection Facilities for the Small Generating Facility.

All payments due to be made by the Interconnection Customer shall be made within
thirty (30) days after receiving an invoice from the Connecting Transmission
Owner. Connecting Transmission Owner will bill Interconnection Customer for
the O&M Expenses on a quarterly basis.

The Project’s Gross Plant Investment associated with the Connecting Transmission
Owner’s Interconnection Facilities shall be established in writing by the
Connecting Transmission Owner no later than 90 days following Commercial
Operation.

The Annual Transmission On-Going Charge Factor shall be calculated annually
each July based on the Connecting Transmission Owner’s most recent FERC Form
1 data and will equal the sum of the Revenue Requirement Components as

2-8

 



SERVICE AGREEMENT NO. 2666

identified in O&M Attachment 1 of this Agreement divided by the Total Gross
Plant of the Connecting Transmission Owner. Total Gross Plant shall equal the
sum of Item Nos. A (1)(a)(b)(c) in O&M Attachment 1.

Option 2: Quarterly Actual O&M Expenses

The Interconnection Customer shall pay for all actual O&M Expenses incurred by
the Connecting Transmission Owner, which expenses shall be billed by the
Connecting Transmission Owner quarterly as accumulated during the quarter for
which they were incurred.

All payments due to be made by the Interconnection Customer shall be made within
thirty (30) days after receiving an invoice from the Connecting Transmission
Owner, which invoice shall be issued after the end of each quarter for the most
recent quarter.

Selection by Interconnection Customer

The Interconnection Customer shall select which option for paying such O&M
Expenses by providing written notice to the Connecting Transmission Owner
within thirty (30) days after the Gross Connecting Transmission Owner’s
Interconnection Facilities Plant Investment cost and the most recent Annual
Transmission Ongoing Charge Factor have been provided to the Interconnection
Customer. If the Interconnection Customer fails to provide timely notice to the
Connecting Transmission Owner of the option selected, the Interconnection
Customer will be deemed to have selected Option 2: Quarterly Actual O&M
Expenses.

O&M ATTACHMENT 1

Capitalized terms used in this calculation will have the following definitions:

Allocation Factor

(1) General Plant Allocation Factor shall equal Electric General Plant divided by the sum of
Electric General Plant plus gas general plant as reported in the Annual Report filed with the New
York State Public Service Commission.

(2) Gross Transmission Plant Allocation Factor shall equal the total investment in
Transmission Plant in Service divided by the sum of the total Transmission Plant in Service plus
the total Distribution Plant in Service, excluding Intangible Plant, General Plant and Common
Plant.

2-9

 



SERVICE AGREEMENT NO. 2666

(3) Transmission Wages and Salaries Allocation Factor shall equal the ratio of Connecting
Transmission Owner Transmission-related direct electric wages and salaries including any direct
wages or salaries charged to Connecting Transmission Owner by a Connecting Transmission
Owner Affiliate to Connecting Transmission Owner’s total electric direct wages and salaries
including any wages charged to Connecting Transmission Owner by a Connecting Transmission
Owner Affiliate excluding any electric administrative and general wages and salaries.

Ratebase and Expense items

(1) Administrative and General Expense shall equal electric expenses as recorded in FERC
Account Nos. 920-935.

(2) Amortization of Investment Tax Credits shall equal electric credits as recorded in FERC
Account No. 411.4.

(3) Distribution Plant in Service shall equal the gross plant balance as recorded in FERC Account Nos. 360 – 374.

(4) Electric Common Plant shall equal the balance of Common Plant recorded in FERC
Account Nos. 389-399 multiplied by the General Plant Allocation Factor.

(5) General Plant shall equal electric gross general plant balance recorded in FERC Account
Nos. 389-399.

(6) Materials and Supplies shall equal electric materials and supplies balance as recorded in
FERC Account No. 154.

(7) Payroll Taxes shall equal those electric payroll tax expenses as recorded in FERC Account
Nos. 408.100, 408.110 and 408.130.

(8) Prepayments shall equal electric prepayment balance as recorded in FERC Account
No. 165.

(9) Real Estate Tax Expenses shall equal electric transmission-related real estate tax expense
as recorded in FERC Account No. 408.140 and 408.180.

(10) Transmission Operation and Maintenance Expense shall equal electric expenses as
recorded in FERC Account Nos. 560, 562-573.

(11) Transmission Plant in Service shall equal the gross plant balance as recorded in FERC
Account Nos. 350-359.

(12) Transmission Revenue Credits shall equal the revenue reported in Account 456

(13) Transmission Related Bad Debt Expense shall equal Bad Debt Expense as reported in
Account 904 related to transmission billing.

(14) Wholesale Metering Cost shall equal any costs associated with any Revenue or Remote
Terminal Unit (RTU) meters and associated equipment located at an internal or external tie at

2-10

 



SERVICE AGREEMENT NO. 2666

voltages equal to or greater than 23V. The cost shall be determined by multiplying the number of
wholesale meters in FERC Account No. 370.3 by the average cost of the meters plus the average
costs of installation.

 In the event that the above-referenced FERC accounts are renumbered, renamed, or
otherwise modified, the above sections shall be deemed amended to incorporate such renumbered,
renamed, modified or additional accounts.

Revenue Requirement Components

 The Revenue Requirement Components shall be the sum of Connecting Transmission
Owner’s (A) Return and Associated Income Taxes, (B) Transmission Related Real Estate Tax
Expense, (C) Transmission Related Amortization of Investment Tax Credits, (D) Transmission
Related Payroll Tax Expense (E) Transmission Operation and Maintenance Expense, (F)
Transmission Related Administrative and General Expenses, less (G) Revenue Credits, plus (H)
Bad Debt Expense.

 A. Return and Associated Income Taxes shall equal the product of the Transmission
Investment Base as identified in A(1) below and the Cost of Capital Rate.

1. Transmission Investment Base shall be defined as

Transmission Related General Plant plus Transmission Related Common
Plant plus Transmission Related Regulatory Assets plus Transmission
Related Prepayments plus Transmission Related Materials and Supplies
plus Transmission Related Cash Working Capital.

(a) Transmission Plant in Service shall equal the balance of Total
investment in Transmission Plant plus Wholesale Metering Cost.

(b) Transmission Related General Plant shall equal the balance of
investment in General Plant multiplied by the Transmission Wages
and Salaries Allocation Factor.

(c) Transmission Related Common Plant shall equal Electric Common
Plant multiplied by the Gross Transmission Plant Allocation Factor
and multiplied by the Transmission Wages and Salaries Allocation
Factor.

(d) Transmission Related Regulatory Assets shall equal balances in
FERC Account Nos. 182.3 and 254 for state and federal regulatory
assets and liabilities related to FAS109, and excess AFUDC
multiplied by the Gross Transmission Plant Allocation Factor

(e) Transmission Related Prepayments shall equal the electric balance
of Prepayments multiplied by the Gross Transmission Plant
Allocation Factor.

2-11

 



SERVICE AGREEMENT NO. 2666

(f) Transmission Related Materials and Supplies shall equal the balance
of Materials and Supplies assigned to Transmission added to the
remainder of Material and Supplies not directly assigned to either
Transmission or Distribution multiplied by the Gross Transmission
Plant Allocation Factor.

(g) Transmission Related Cash Working Capital shall be a 12.5%
allowance (45 days/360 days) of the Transmission Operation and
Maintenance Expense (less FERC Account 565: Transmission of
Electricity by Others) and Transmission-Related Administrative and
General Expense.

2. Cost of Capital Rate

The Cost of Capital Rate shall equal the proposed Weighted Costs of Capital
plus Federal Income Taxes and State Income Taxes.

(a) The Weighted Costs of Capital will be calculated for the
Transmission Investment Base using Connecting Transmission
Owner’s actual capital structure and will equal the sum of (i), (ii),
and (iii) below:

(i) the long-term debt component, which equals the product of
the actual weighted average embedded cost to maturity of
Connecting Transmission Owner’s long-term debt then
outstanding and the actual long-term debt capitalization
ratio.

(ii) the preferred stock component, which equals the product of
the actual weighted average embedded cost to maturity of
Connecting Transmission Owner’s preferred stock then
outstanding and the actual preferred stock capitalization
ratio;

(iii) the return on equity component, shall be the product of the
allowed ROE of 10.30% or such value as most recently
approved by the Commission plus a 50 basis point adder (per
FERC Order 697 and 697-A, if authorized by the
Commission for the Connecting Transmission Owner) and
Connecting Transmission Owner’s actual common equity
capitalization ratio.

(b) Federal Income Tax shall equal

A x Federal Income Tax Rate
(1 - Federal Income Tax Rate)

2-12

 



SERVICE AGREEMENT NO. 2666

where A is the sum of the preferred stock component and the return
on equity component, each as determined in Sections 2.(a)(ii) and
for the ROE set forth in 2.(a)(iii) above

(c) State Income Tax shall equal

(A + Federal Income Tax) x State Income Tax Rate

(1 State Income Tax Rate)

Where A is the sum of the preferred stock component and the return on
equity component as determined in A.2.(a)(ii) and A.2.(a)(iii) above and
Federal income Tax is determined in 2.(b) above.

 B. Transmission Related Real Estate Tax Expense shall equal the Real Estate Tax
Expenses multiplied by the Gross Plant Allocation Factor.

 C. Transmission Related Amortization of Investment Tax Credits shall equal the
electric Amortization of Investment Tax Credits multiplied by the Gross Transmission Plant
Allocation Factor.

 D. Transmission Related Payroll Tax Expense shall equal Payroll Taxes multiplied by
the Transmission Wages and Salaries Allocation Factor.

 E. Transmission Operation and Maintenance Expense shall equal the Transmission
Operation and Maintenance Expense as previously defined.

 F. Transmission Related Administrative and General Expenses shall equal the sum
of the electric Administrative and General Expenses multiplied by the Transmission Wages and
Salaries Allocation Factor.

G. Revenue Credits shall equal all Transmission revenue recorded in FERC account 456.

 H. Transmission Related Bad Debt Expense shall equal Transmission Related Bad
Debt Expense as previously defined.

2-13

 



Effective Date: 4/2/2026 - Docket #: ER26-2229-000 - Page 1


NYISO Agreements --> Service Agreements --> SGIA among NYISO NMPC and ELP Ticonderoga Solar

 

SERVICE AGREEMENT NO. 2666

Attachment 3

One-line Diagram Depicting the Small Generating Facility, Interconnection Facilities, Metering Equipment, and Upgrades

3-1

 



SERVICE AGREEMENT NO. 2666

 115 kV Line 2
~2.68 miles to
NGRID

Ticonderoga
Station

Interconnection Customer
Interconnection Facilities

 

 TB1

34.5Y/13.8 kV 115Y kV

 15/20/25 MVA

ONAN/ONAF/ONAF

 z=9%

 

CTO Interconnection Facilities

 (metering & RTU)

 

MV90

 

EMS-

 RTU

 

CTO

Interconnection

 Facilities

52F1

20 MW R2

(~100 ft )

 

 (5) SMA

SC4600 UP

 inverters

 4.6MVA

 

 Station Service

19.9 kV-240/120 V

 25 kVA

 

Point of Change of

 Ownership (PCO)

(Note: PCO is at the

connection to the IC s

Disconnect Switch.

National Grid will own the

insulators, whips, and

connection hardware.)

 

 Point of

Interconnection

 (POI)

Ticonderoga Solar Collector Station

 115kV Line 2
~17.2 miles to
NYSEG s

Republic Station

3-2

 



Effective Date: 4/2/2026 - Docket #: ER26-2229-000 - Page 1


NYISO Agreements --> Service Agreements --> SGIA among NYISO NMPC and ELP Ticonderoga Solar

 

SERVICE AGREEMENT NO. 2666

Attachment 4

Milestones

In-Service Date: November 2026

1. Milestones

Critical milestones and responsibility as agreed to by the Parties:

MILESTONE DATE RESPONSIBLE
PARTY

1. Execute Interconnection Agreement Completed Connecting
Transmission

Owner/Interconnection Customer/NYISO

2. Provide initial prepayment/ security Completed Interconnection
for engineering Customer

3. Issue written authorization to Completed Interconnection
proceed with engineering Customer

4. Project initiation Completed Connecting
Transmission Owner

5. Project management level kickoff Completed Connecting
meeting Transmission
Owner/Interconnection

Customer

6. Complete Cost Estimate Update in Completed Connecting
accordance with NYISO OATT Transmission Owner
Section 40.6.3.5.3

7. Provide property rights Completed Interconnection
documentation (i.e., options, deeds, Customer
easements, etc.) to CTO for review

8. Start engineering on Interconnection Completed Interconnection
Customer’s Interconnection Customer
Facilities

9. Provide final civil plans for Collector 10/2025 Interconnection
Station with surveyed location and Customer
height of termination structure,

grading plan, access roads and wetlands delineation maps (in CAD format)

10. Start engineering on all System Completed Connecting
Upgrade Facilities and Connecting Transmission Owner
Transmission Owner’s

Interconnection Facilities

4-1

 



SERVICE AGREEMENT NO. 2666

MILESTONE DATE RESPONSIBLE
PARTY

11. Start procurement for Completed Interconnection
Interconnection Customer’s Customer
Interconnection Facilities

12. Start procurement for System Completed Connecting
Upgrade Facilities and Connecting Transmission Owner
Transmission Owner’s

Interconnection Facilities

13. Complete engineering on 01/2026 Connecting
Interconnection Customer’s Transmission
Interconnection Facilities (including Owner/Interconnection
Connecting Transmission Owner Customer
approvals)

14. Complete procurement for 05/2026 Interconnection
Interconnection Customer’s Customer
Interconnection Facilities

15. Start construction of Interconnection 10/2025 Interconnection
Customer’s Interconnection Customer
Facilities

16. Provide prepayment/security for 11/2025 Interconnection
construction Customer

17. Provide written authorization to 01/2026 Interconnection
proceed with construction of SUFs Customer
and CTOIFs

18. Complete engineering on System 04/2026 Connecting
Upgrade Facilities and Connecting Transmission Owner
Transmission Owner’s

Interconnection Facilities

19. Deliver property rights to CTO for 05/2026 Interconnection
SUFs and CTO IFs Customer

20. Start construction of System 05/2026 Connecting
Upgrade Facilities and Connecting Transmission Owner
Transmission Owner’s

Interconnection Facilities

21. Complete procurement for System 02/2026 Connecting
Upgrade Facilities and Connecting Transmission Owner
Transmission Owner’s

Interconnection Facilities

22. Complete construction of 07/2026 Interconnection
Interconnection Customer’s Customer
Interconnection Facilities including

all telecom circuits installation and provisioning, as well as all make ready work for revenue metering and RTU

4-2

 



SERVICE AGREEMENT NO. 2666

MILESTONE DATE RESPONSIBLE
PARTY

23. Start construction of Line 2 Tap 06/2026 Connecting
(Connecting Transmission Owner’s Transmission Owner
Interconnection Facilities)

24. Complete construction and testing of 10/2026 Connecting
System Upgrade Facilities and Transmission Owner
Connecting Transmission Owner’s

Interconnection Facilities

25. Field verification and witness testing 10/2026 Connecting
of Interconnection Customer’s Transmission
Interconnection Facilities Owner/Interconnection
Customer

26. Initial Synchronization Date 11/2026 Interconnection
Customer/Connecting

Transmission Owner

27. Complete testing and commissioning 11/2026 Interconnection
Customer

28. In Service Date 11/2026 Interconnection
Customer

29. Commercial Operations Date 12/2026 Interconnection
Customer

30. Submit Interconnection Customer’s 01/2027 Interconnection
Interconnection Facilities as builts Customer

31. Complete System Upgrade Facilities 03/2027 Connecting
and Connecting Transmission Transmission Owner
Owner’s Interconnection Facilities as

builts

32. Complete review / acceptance of 04/2027 Connecting
Interconnection Customer’s Transmission Owner
Interconnection Facilities as builts

33. Complete project closeout and final 06/2027 Connecting
invoicing Transmission Owner

To the extent procurement lead times increase, and/or additional system modifications
(temporary or permanent) are required, the schedule must be adjusted accordingly. Furthermore,
the schedule does not account for potential delays or disruptions caused by any Force Majeure
event. Finally, these milestones are contingent upon, but not limited to, outage requirements and
scheduling and the Interconnecting Customer’s successful compliance with all interconnection
requirements and timely completion of its obligations in accordance with this Agreement.

2. Security Arrangements

 Interconnection Customer requested an extension of its Commercial Operation Date
(“COD”) for the Small Generating Facility to December 2026 pursuant to the modification rules
in Section 40.6.3.5 of Attachment HH to the NYISO OATT. The NYISO determined, in

4-3

 



SERVICE AGREEMENT NO. 2666

consultation with the Connecting Transmission Owner, that a Cost Estimate Update is required
in order for the requested extension of the Commercial Operation Date not to be a material
modification. Connecting Transmission Owner performed the Cost Estimate Update, and
Interconnection Customer accepted the revised cost estimates included above. The revised cost
estimates update the cost estimate amount for the Small Generating Facility determined in the
Facilities Study.

 Pursuant to Article 6.3, Interconnection Customer and Connecting Transmission Owner
agreed to amend and restate the guaranty provided by Interconnection Customer to include the
additional security associated with the revised cost estimate amount. Interconnection Customer
posted an amended and restated guaranty to cover the revised cost estimate for Connecting
Transmission Owner Interconnection Facilities and System Upgrade Facilities in the amount of
$3,594,100.

4-4

 



SERVICE AGREEMENT NO. 2666

Attachment 5

Additional Operating Requirements for the New York State Transmission System, the
Distribution System and Affected Systems Needed to Support the Interconnection
Customer’s Needs

 The NYISO, in consultation with the Connecting Transmission Owner, shall also provide
requirements that must be met by the Interconnection Customer prior to initiating parallel
operation with the New York State Transmission System or the Distribution System.

 (a) The Interconnection Customer must comply with all applicable NYISO tariffs and
procedures, as amended from time to time.

 (b) To the extent not inconsistent with the terms of this Agreement, the ISO OATT, or
applicable NYISO procedures, Interconnection Customer must comply with Connecting
Transmission Owner’s operating instructions and requirements, which requirements shall include
the dedicated data circuits, including system protection circuits, to be maintained by
Interconnection Customer in accordance with Article 1.5 of this Agreement. Interconnection
Customer must also comply with the applicable requirements as set out in the Connecting
Transmission Owner’s ESBs, which have been identified and provided to the Interconnection
Customer as amended from time to time, to the extent not inconsistent with the terms of this
Agreement or applicable NYISO tariffs and procedures. Upon the Connecting Transmission
Owner’s notice to the Interconnection Customer of amendments to the ESBs, the Interconnection
Customer has 30 days to comply with such amendments.

5-1

 



SERVICE AGREEMENT NO. 2666

Attachment 6

Connecting Transmission Owner’s Description of its Upgrades and Best Estimate of

Upgrade Costs

 The NYISO, in consultation with the Connecting Transmission Owner, shall describe
Upgrades and provide an itemized best estimate of the cost, including overheads, of the
Upgrades and annual operation and maintenance expenses associated with such Upgrades. The
Connecting Transmission Owner shall functionalize Upgrade costs and annual expenses as either
transmission or distribution related.

 The cost estimate for System Upgrade Facilities and System Deliverability Upgrades
shall be taken from the ISO OATT Attachment S cost allocation process or applicable
Interconnection Study, as required by Section 32.3.5.3.2 of Attachment Z. The cost estimate for
Distribution Upgrades shall include the costs of Distribution Upgrades that are reasonably
allocable to the Interconnection Customer at the time the estimate is made, and the costs of any
Distribution Upgrades not yet constructed that were assumed in the Interconnection Studies for
the Interconnection Customer but are, at the time of the estimate, an obligation of an entity other
than the Interconnection Customer.

 The cost estimates for Distribution Upgrades, System Upgrade Facilities, and System
Deliverability Upgrades are estimates. The Interconnection Customer is ultimately responsible
for the actual cost of the Distribution Upgrades, System Upgrade Facilities, and System
Deliverability Upgrades needed for its Small Generating Facility, as that is determined under
Attachments S, X, and Z of the ISO OATT.

A. DISTRIBUTION UPGRADES

None.

B. STAND-ALONE SYSTEM UPGRADE FACILITIES (“SUF”)

None.

C. OTHER SYSTEM UPGRADE FACILITIES (“SUF”)

The interconnection of the Small Generating Facility will require the following System Upgrade Facilities at the Connecting Transmission Owner’s Ticonderoga Substation.

1. Ticonderoga Substation

 All modifications shall be completed in the Ticonderoga Substation yard and control
house.

a) Line 2 Protection Packages

In order for Ticonderoga Substation to coordinate with New York State Electric & Gas Corporation’s (NYSEG’s”) Republic Substation with the Small Generating Facility

6-1

 



SERVICE AGREEMENT NO. 2666

interconnected, the existing overcurrent relays for Line 2 must be replaced with step distance
protection. The Line 2 ‘A’ package will consist of a SEL-411L and the ‘B’ package will be
comprised of a GE L-90.

 DTT transmit and receive to/from the Ticonderoga Solar Collector Station shall be added.
DTT will be sent to the Ticonderoga Solar Collector Station for a line relay operation, R2, R21
and R22 breaker failure, or opening of R2 at Ticonderoga Station. DTT for breaker failure will
be received from the Ticonderoga Solar Collector Station. The ‘A’ package line relay will be
used to receive DTT and to trip and drive reclosing to lockout. A RFL GARD PRO teleprotection device will be added for DTT to and from the Ticonderoga Solar Collector Station.

 There is not enough space in the control enclosure to add the new line relays and DTT
equipment. Therefore, to make space, the Connecting Transmission Owner must replace the
Line 4 relays that currently share the relay panel with the Line 2 relays. The existing RFL-6710
equipment used for DTT to existing customer, Sylvamo, will be replaced with two (2) new
GARD PRO telecommunication devices. The use of horizontal relays and 4RU test switches
will allow for all the equipment for both lines to be installed within three panels.

 Due to the addition of the Small Generating Facility, an area coordination study will be
completed during final engineering and may result in resetting of relays in the area. The
Interconnection Customer shall be responsible for all costs associated with this.

b) Controls and Integration

 The existing RTU is sufficient for the scope of this project. Spare I/O points will be used
to accommodate the additions required. An IRIG-B satellite clock must be added for time
synchronization of the RTU and protective relays. All new relays will be added to the new
designed Novatech Orion LX. Three (3) Bitronics Meters will also be added, 3 RE-01 switches,
and 3 RE-43 reclosing switches.

c) Telecommunications

 A new Verizon Telco fiber facility will be installed in the existing control house at
Ticonderoga Station. As a result, the RTU circuit will need to be upgraded to Ethernet circuit,
and the phone line moved to fiber.

 The Connecting Transmission Owner will order the following circuit under the new
Verizon fiber facility:

One (1)leased DS1 (T1) transport circuit will be ordered from Ticonderoga

Station to Whitehall Station.

One (1) leased DS1 (T1) transport circuit will be ordered from Ticonderoga

station to Ticonderoga solar.

One (1) leased DS1 (T1) transport circuit will be ordered from Ticonderoga

station to Sylvamo.

6-2

 



Effective Date: 4/2/2026 - Docket #: ER26-2229-000 - Page 1


NYISO Agreements --> Service Agreements --> SGIA among NYISO NMPC and ELP Ticonderoga Solar

 

SERVICE AGREEMENT NO. 2666

D. ELECTIVE SYSTEM UPGRADE FACILITIES

 To avoid having the generating facility disconnected from the system when the SW2355
bypass switch is closed, the Interconnection Customer has elected to proceed with the installation
of direct transfer trip protection schemes between the Ticonderoga Solar Collector Station and
the Connecting Transmission Owner’s Whitehall Station. The associated Elective System
Upgrade Facilities are as follows:

Whitehall Substation

a) Line 3 Protection Packages

 Installation of bi-directional DTT to/from Ticonderoga Solar Collector Station shall be
added to Whitehall Station.. The existing ‘A’ package line relay will be used to receive DTT and
to trip and drive reclosing to lockout. One (1) RFL GARD PRO teleprotection device will be
addedto implement this new scheme.

 The two (2) RFL-6710 communication devices at Whitehall associated with the DTT to
Sylvamo will be replaced with two (2) RFL GARD PROs.

b) Telecommunications

 The existing Verizon fiber facility at Whitehall will be utilize for this project. The
following circuit will be installed under the existing fiber:

 One (1) leased DS1 (T1) transport circuit will be ordered from Whitehall to
Ticonderoga Station.

D. SYSTEM UPGRADE FACILITIES (“SUF”) AFFECTED SYSTEMS

1. New York State Electric & Gas Corporation

 The Interconnection Studies for the Small Generating Facility identified NYSEG as an
Affected System Operator, which system is impacted by the Small Generating Facility. The
facilities study identified certain System Upgrade Facilities required for NYSEG’s Affected
System. Specifically, due to the re-configuration of the Ticonderoga – Republic line into a three-
terminal line with the addition of the Small Generating Facility, certain upgrades are required at
NYSEG’s Barton Brook and Republic Substations. This work will be performed in accordance
with the terms of an engineering, procurement, and construction agreement by and among the
NYISO, Developer, Connecting Transmission Owner, and NYSEG.

2. Sylvamo Paper

 The Facilities Study for the Small Generating Facility included preliminary analysis
indicating the potential for the T1 circuit required for the Line 2 protection packages and direct
transfer trip (DTT) to be installed on an existing Verizon copper facility at the Ticonderoga
Station. However, the study also indicated that if it was subsequently determined that the

6-3

 



Effective Date: 4/2/2026 - Docket #: ER26-2229-000 - Page 1


NYISO Agreements --> Service Agreements --> SGIA among NYISO NMPC and ELP Ticonderoga Solar

 

SERVICE AGREEMENT NO. 2666

existing facility could not be used, then a new fiber service would be required at additional costs.
In its engineering analyses performed under this Agreement, Connecting Transmission Owner
has determined that the use of a new Verizon fiber facility is required. In particular, Connecting
Transmission Owner has determined the need for these upgrades at the station owned by
Sylvamo Paper, which is located between the Ticonderoga Station and NYSEG’s Republic
Station. The NYISO, Connecting Transmission Owner, and Interconnection Customer will
coordinate with Sylvamo Paper for it to perform, at Interconnection Customer’s expense,
analysis to identify the System Upgrade Facilities required at Sylvamo Paper to provide for the
required telecommunication medium. The work for any identified System Upgrade Facilities at
the Sylvamo Paper station will be performed in accordance with the terms of a construction
agreement by and among the NYISO, Interconnection Customer, Connecting Transmission
Owner, and Sylvamo Paper.

E. COST ESTIMATES RELATED TO DISTRIBUTION UPGRADES AND SYSTEM
UPGRADE FACILITIES

 The total estimated costs (+30%/-15%) of the work associated with the System Upgrade
Facilities required for the interconnection of the Small Generating Facility are presented in the
table below.

 Interconnection Customer requested an extension of its Commercial Operation Date
(“COD”) for the Small Generating Facility to December 2026 pursuant to the modification rules
in Section 40.6.3.5 of Attachment HH to the NYISO OATT. The NYISO determined, in
consultation with the Connecting Transmission Owner, that a Cost Estimate Update is required
in order for the requested extension of the Commercial Operation Date not to be a material
modification. Connecting Transmission Owner performed the Cost Estimate Update, and
Interconnection Customer accepted the revised cost estimates included above. The revised cost

6-4

 



SERVICE AGREEMENT NO. 2666

estimates update the cost estimate amount for the Small Generating Facility determined in the
Facilities Study. Interconnection Customer and Connecting Transmission Owner amended and
restated the guaranty to include the additional security associated with the revised cost estimate
amount.

 As described in the Facilities Study for the Small Generating Facility, the estimates
provided herein:

Assume:

5X10 construction work week; outages are available;

all major material is delivered to site (i.e., no costs are included for transport from

storage); and

existing equipment to remain is functional.

Exclude (as applicable):

discussions and negotiations of issued interconnection study; application fees;

applicable surcharges;

overall project sales tax; property taxes; line switching;

property/easement acquisitions;

access roads and associated matting;

future operation and maintenance costs;

recurring monthly communications circuits’ charges, if any, responsible by the
Interconnection Customer to the communications utility;
soil testing;

adverse field conditions such as water, weather, and Interconnection Customer electrical

equipment obstructions;

environmental mitigation;

extended engineering to minimize outage time or Connecting Transmission Owner’s

public duty to serve;

extended craft labor hours, to minimize outage and/or construction time;
property transactions reviews associated with Interconnection Customer’s requests to
occupy the Connecting Transmission Owner’s rights-of-way and/or fee owned property;
or

any required permits.

 Cost adders estimated for overtime will be based on 1.5 and 2 times labor rates if
required for work beyond normal business hours. Meals and equipment are also extra costs
incurred for overtime labor.

6-5

 



SERVICE AGREEMENT NO. 2666

Attachment 7

Insurance Coverage

 The Interconnection Customer shall, at its own expense, maintain in force throughout the
period of this Agreement, the following minimum insurance coverage, with insurers authorized
to do business in the State of New York.

 Commercial General Liability Insurance including, but not limited to, bodily injury,
property damage, products/completed operations, contractual and personal injury liability with a
combined single limit of $2 million per occurrence, $5 million annual aggregate.

7-1

 



SERVICE AGREEMENT NO. 2666

Attachment 8

Initial Synchronization Date

[Date]

New York Independent System Operator, Inc.
Attn: Vice President, Operations
10 Krey Boulevard Rensselaer, NY 12144

Niagara Mohawk Power Corporation d/b/a National Grid
Attention: Director, Customer Energy Integration & Commercial Services NY
2 Hanson Place 12th Floor

Brooklyn, NY 11217

Re: Ticonderoga Solar Project Small Generating Facility

Dear :

On [Date] [Interconnection Customer] initially synchronized the Small Generating Facility
[specify units, if applicable]. This letter confirms that [Interconnection Customer]’s Initial
Synchronization Date was [specify].

Thank you.

[Signature]

[Interconnection Customer Representative]

8-1

 



SERVICE AGREEMENT NO. 2666

Attachment 9

Commercial Operation Date

[Date]

New York Independent System Operator, Inc.
Attn: Vice President, Operations
10 Krey Boulevard Rensselaer, NY 12144

Niagara Mohawk Power Corporation d/b/a National Grid
Attention: Director, Customer Energy Integration & Commercial Services NY
2 Hanson Place 12th Floor Brooklyn, NY 11217

Re: Ticonderoga Solar Project Small Generating Facility

Dear __________________:

On [Date] [Interconnection Customer] has completed Trial Operation of Unit No. ___. This
letter confirms that [Interconnection Customer] commenced Commercial Operation of the
Small Generating Facility [specify units, as applicable], effective as of [Date plus one day].

Thank you.

[Signature]

[Interconnection Customer Representative]

9-1

Effective Date: 4/2/2026 - Docket #: ER26-2229-000 - Page 1